Datasheet4U Logo Datasheet4U.com

2H1002A4 - Current Regulator Diodes

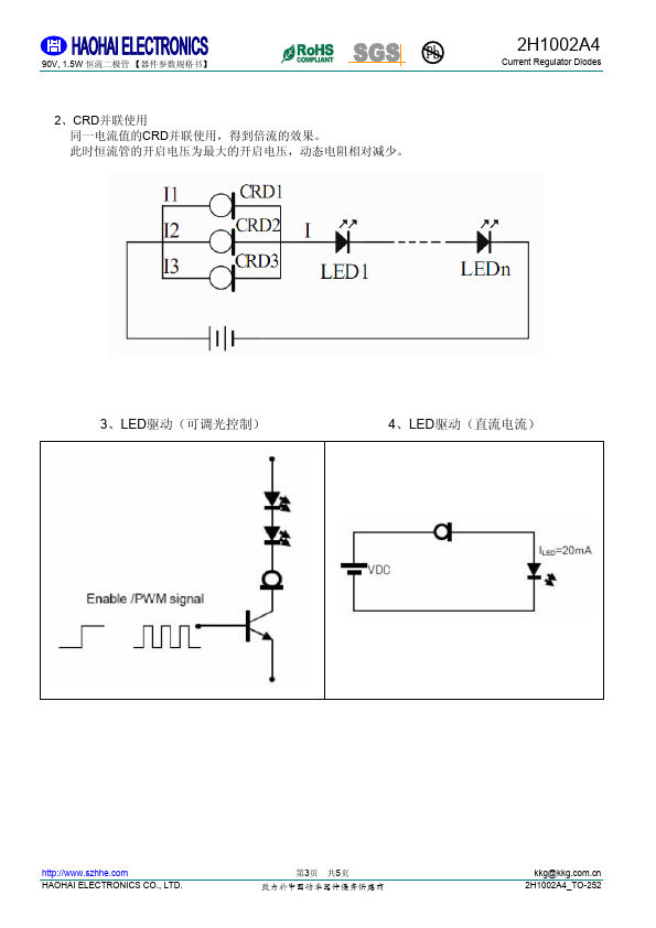
📥 Download Datasheet

Preview of 2H1002A4 PDF
datasheet Preview Page 2 datasheet Preview Page 3

Datasheet Details

Part number 2H1002A4
Manufacturer HAOHAI
File Size 381.62 KB
Description Current Regulator Diodes
Datasheet download datasheet 2H1002A4-HAOHAI.pdf

📁 2H1002A4 Similar Datasheet

  • 2H1002A1 - Two-terminal constant current device (Huajing Microelectronics)
Other Datasheets by HAOHAI
Published: |