Datasheet4U Logo Datasheet4U.com

TP4056 - 1A Standalone Linear Li-lon Battery Charger

📥 Download Datasheet

Preview of TP4056 PDF
datasheet Preview Page 2 datasheet Preview Page 3

Datasheet Details

Part number TP4056
Manufacturer NanJing Top Power
File Size 124.20 KB
Description 1A Standalone Linear Li-lon Battery Charger
Datasheet download datasheet TP4056-NanJingTopPower.pdf

TP4056 Product details

Description

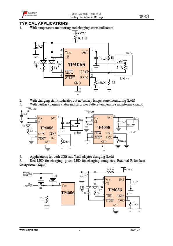
The TP4056 is a complete constant-current/constant-voltage linear charger for single cell lithium-ion batteries.Its SOP package and low external component count make the TP4056 ideally suited for portable applications.Furthermore, the TP4056 can work within USB and wall adapter.No blocking diode is required due to the internal

Features

📁 TP4056 Similar Datasheet

  • TP4055C - 30mA-600mA linear lithium-ion battery charger (ChipSourceTek)
  • TP4057ST26P - 600mA lithium battery charger (TPOWER)
  • TP4058 - 600mA linear lithium-ion battery charger (Top Power)
  • TP4059 - 600mA linear lithium-ion battery charger (Top Power)
  • TP4045C - Photovoltaic Solar Cell Protection Schottky Diode (HY)
  • TP4060 - 800mA linear lithium ion battery charger (Top Power)
  • TP4062 - 500mA linear lithium-ion battery charger (Top Power)
  • TP4065 - 3mA-600mA linear lithium-ion battery charger (Top Power)
Other Datasheets by NanJing Top Power
Published: |