Datasheet4U Logo Datasheet4U.com

XL7015 - 0.8A 150KHz 80V Buck DC/DC Converter

General Description

The XL7015 is a 150KHz fixed frequency PWM buck (step-down) DC/DC converter, capable of driving a 0.8A load with high efficiency, low ripple and excellent line and load regulation.

Key Features

  • Operating Voltage: 5V~80V.
  • Output Adjustable from 1.25V to 20V.
  • Maximum Duty Cycle 90%.
  • Minimum Drop Out 2V.
  • Fixed 150KHz Switching Frequency.
  • Maximum 0.8A Output Current.
  • Recommend Maximum 0.6A Output Current At 5V Output,48V Input.
  • Recommend Maximum 0.4A Output Current At 15V Output,48V Input.
  • Internal Optimize HV Power Transistor.
  • High efficiency up to 85%.
  • Excellent line and load regulation.
  • TTL shutdown capability.
  • Built in t.

📥 Download Datasheet

Datasheet Details

Part number XL7015
Manufacturer Xlsemi
File Size 259.44 KB
Description 0.8A 150KHz 80V Buck DC/DC Converter
Datasheet download datasheet XL7015 Datasheet

Full PDF Text Transcription (Reference)

The following content is an automatically extracted verbatim text from the original manufacturer datasheet and is provided for reference purposes only.

View original datasheet text
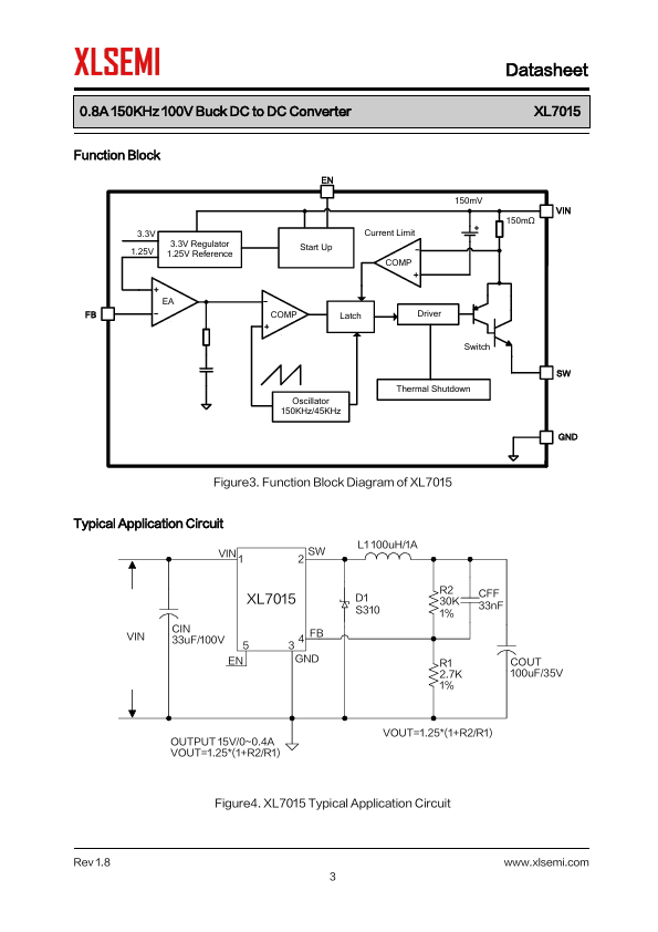
0.8A 150KHz 100V Buck DC to DC Converter Datasheet XL7015 Features  Operating Voltage: 5V~80V  Output Adjustable from 1.25V to 20V  Maximum Duty Cycle 90%  Minimum Drop Out 2V  Fixed 150KHz Switching Frequency  Maximum 0.8A Output Current  Recommend Maximum 0.6A Output Current At 5V Output,48V Input  Recommend Maximum 0.4A Output Current At 15V Output,48V Input  Internal Optimize HV Power Transistor  High efficiency up to 85%  Excellent line and load regulation  TTL shutdown capability  Built in thermal shutdown function  Built in output short Protection Function  Built in current limit function  TO252-5L package General Description The XL7015 is a 150KHz fixed frequency PWM buck (step-down) DC/DC converter, capable of driving a 0.