• Part: AME1-5SBAZ
  • Description: AC-DC Converter
  • Manufacturer: AIMTEC
  • Size: 154.47 KB
Download AME1-5SBAZ Datasheet PDF
AIMTEC
AME1-5SBAZ
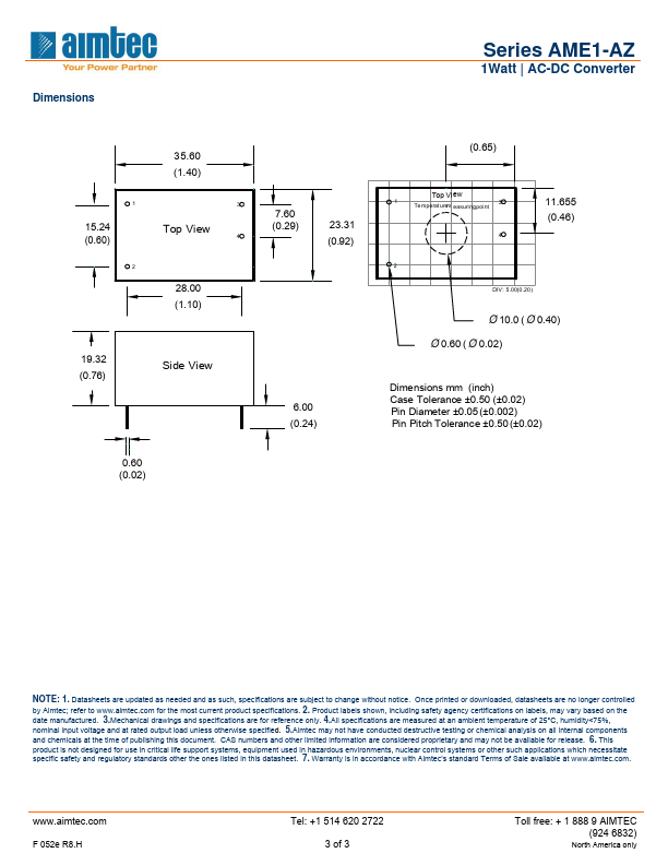
FEATURES : - I/O Isolation 3000VAC - Operating Temp: -40°C to +80°C - Input: 90-305VAC, 47-440Hz, or 130-430 VDC - Optional 90-528VAC, 47-440Hz, or 130-745 VDC - Over load, Short Circuit Protection Series AME1-AZ 1Watt | AC-DC Converter - Ro HS pliant - Energy Star pliant - Ultra small package Input Voltage (VAC/Hz) 90-305/47-440 90-305/47-440 90-305/47-440 90-305/47-440 90-305/47-440 90-528/47-440 90-528/47-440 90-528/47-440 90-528/47-440 90-528/47-440 Input Voltage (VDC) 130-430 130-430 130-430 130-430 130-430 130-745 130-745 130-745 130-745 130-745 Temperature range (ºC) -40 to +80 -40 to +80 -40 to +80 -40 to +80 -40 to +80 -40 to +80 -40 to +80 -40 to +80 -40 to +80 -40 to +80 Output Voltage (V) 3.3 5 12 15 24 3.3 5 12 15 24 Output Current max (m A) 300 200 83 67 42 Maximum capacitive Load (µF) 2200 1100 680 560 470 Efficiency (%) 115 230 277 480 VAC VAC VAC VAC 62 59 58 58 57 56 73 68 65 77 68 70 79 79 77 51 51 50...