Datasheet4U Logo Datasheet4U.com

AOZ15953DI - Smart Protection Switch

Datasheet Summary

Description

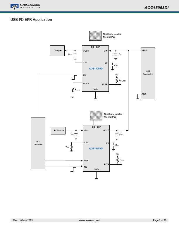
The AOZ15953DI is a protection switch intended for USB Type-C PD EPR applications that require reverse current protection.

The input operating voltage range is between 2.7 V and 5.5 V, and the VOUT terminals are rated at 60 V Absolute Maximum.

Features

  • Ideal Diode True Reverse Current Blocking (IDTRCB) protection to prevent reverse current flow from VOUT to VIN at any load. This feature complies with the USB PD specification. The device also features fast recovery from reverse blocking to prevent excessive VOUT droop in power swap.

📥 Download Datasheet

Datasheet preview – AOZ15953DI

Datasheet Details

Part number AOZ15953DI
Manufacturer Alpha & Omega Semiconductors
File Size 2.62 MB
Description Smart Protection Switch
Datasheet download datasheet AOZ15953DI Datasheet
Additional preview pages of the AOZ15953DI datasheet.
Other Datasheets by Alpha & Omega Semiconductors

Full PDF Text Transcription

Click to expand full text
AOZ15953DI ECPower™ 2.7V-5.5V 35mΩ Smart Protection Switch With Ideal Diode Reverse Current Blocking General Description The AOZ15953DI is a protection switch intended for USB Type-C PD EPR applications that require reverse current protection. The input operating voltage range is between 2.7 V and 5.5 V, and the VOUT terminals are rated at 60 V Absolute Maximum. AOZ15953DI provides under-voltage lockout, over-voltage, and over-temperature protection. The FLTB pin flags thermal shutdown and over-voltage faults. AOZ15953DI supports USB PD Fast Role Swap (FRS). When FON pin is high, the device is in fast-turn-on mode to ensure output voltage rises quickly to meet the USB PD specification.
Published: |