HEDL-5500 Overview
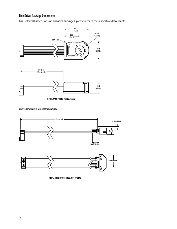
Line Drivers are available for the HEDS-55xx/56xx series and the HEDS-9000/9100/9200/9040/9140 series encoders. The line driver offers enhanced performance when the encoder is used in noisy environments, or when it is required to drive long distances. The encoder line driver utilizes an industry standard line driver IC, AM26C31Q, which provides plementary outputs for each encoder channel.
HEDL-5500 Key Features
- Available on Both Encoder Modules (HEDS-9000 Series) and Encoder Kit Housing (HEDS-5500 Series)
- plementary Outputs
- Industry Standard Line Driver IC
- Single 5 V Supply
- Onboard Bypass Capacitor
