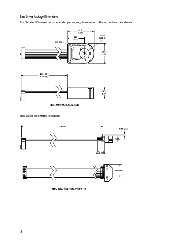
Datasheet Details
| Part number | HEDL-5600 |
|---|---|
| Manufacturer | Avago |
| File Size | 107.52 KB |
| Description | Encoder Line Drivers |
| Datasheet |
|
| Note |
This datasheet PDF includes multiple part numbers: HEDL-5600, HEDL-5500. Please refer to the document for exact specifications by model. |
|
|
|

