CP2021 Description
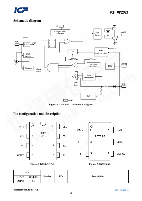
ICF CP2021 is a highly integrated current mode PWM control IC optimized for high performance, low standby power and cost effective offline flyback converter applications in sub 30W range. PWM switching frequency at normal operation is externally programmable and trimmed to tight range. At no load or light load condition, the IC operates in DIP-8 SOP-8 extended ‘burst mode’ to minimize switching loss.
CP2021 Key Features
- Proprietary Frequency Shuffling Technology for Improved EMI Performance
- Extended Burst Mode Control For Improved Efficiency and Minimum Standby Power Design
- Audio Noise Free Operation
- External Programmable PWM Switching
- Internal Synchronized Slope pensation
- Low VDD Startup Current and Low Operating
- Leading Edge Blanking on Current Sense Input
- Good Protection Coverage With Auto Self
- VDD Over Voltage Clamp and Under Voltage
- Gate Output Maximum Voltage Clamp (18V)
CP2021 Applications
- Proprietary Frequency Shuffling Technology for Improved EMI Performance
- Extended Burst Mode Control For Improved Efficiency and Minimum Standby Power Design