• Part: EC8317
  • Description: 600mA CMOS LDO
  • Category: LDO Regulator
  • Manufacturer: E-CMOS
  • Size: 207.29 KB
Download EC8317 Datasheet PDF
E-CMOS
EC8317
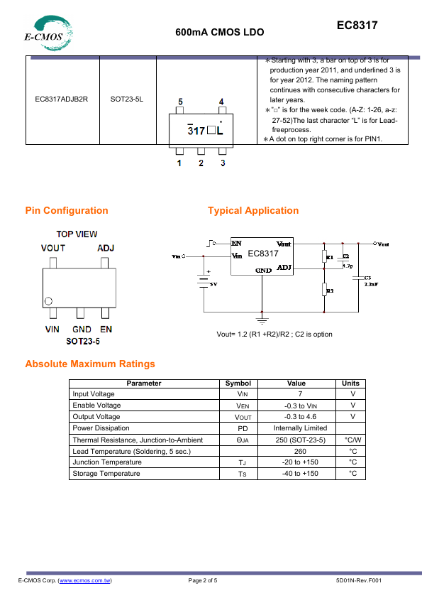
Feature - Very Low Dropout Voltage - Guaranteed 600 m A Output - Typical accuracy within 2% - 35u A Quiescent Current - Over Temperature Protection (OTP) - Over Current Protection (OCP) - Power Good Detector - Power-Saving Shutdown Mode - Space-Saving SOT23-5L - Adjustable Output Voltages - Low Temperature Coefficient - Ro HS pliant and 100% Lead (Pb)-Free Application - Instrumentation - Portable Electronics - Wireless Devices - Cordless Phones - PC Peripherals - Battery Powered Widgets - Electronic Scales Ordering Information EC8317 XXX XX X Output voltage: ADJ : ADJ B2:SOT23-5L R:Tape & Reel Part Number Package E-CMOS Corp. (.ecmos..tw) Marking Page 1 of 5 Marking Information 5D01N-Rev.F001 EC8317ADJB2R SOT23-5L 600m A CMOS LDO *Starting with 3, a bar on top of 3 is for production year 2011, and underlined 3 is for year 2012. The naming pattern continues with consecutive characters for later years. *”- ” is for the week code. (A-Z: 1-26, a-z: 27-52)The last...