Datasheet4U Logo Datasheet4U.com

EM1344 Datasheet CMOS Circuit for Analog Quartz Clocks

Manufacturer: EM Microelectronic (Swatch Group)

Overview: DATASHEET Ɩ EM1344 CMOS Circuit for Analog Quartz Clocks with Bipolar Stepping Motor.

General Description

The H1344 is a low power 32kHz analog clock integrated circuit designed in CMOS technology to drive a bipolar stepping motor.

A set of capacitors is provided on chip to be connected, in any combination, to the two oscillator terminals, with a maximum total capacitance of 48pF.

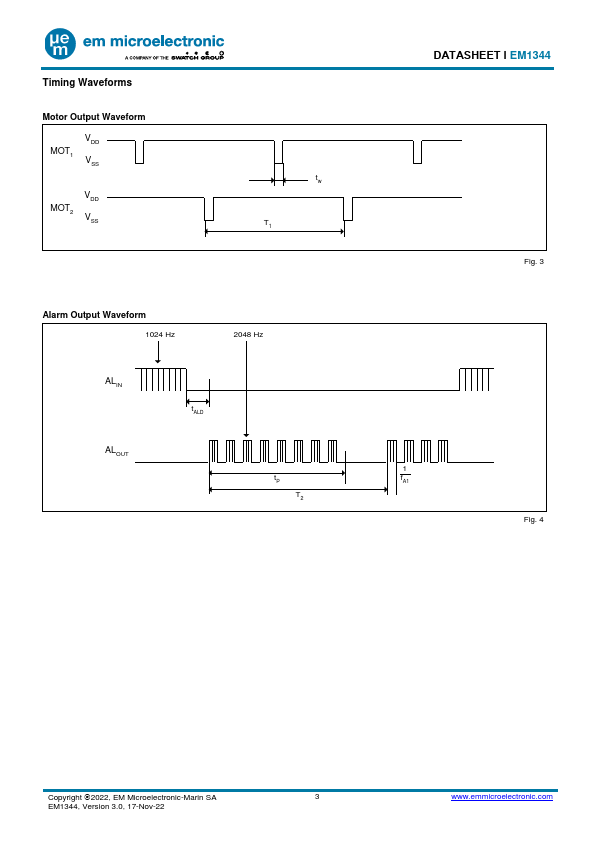
Both the motor pulse period and the motor pulse width are maskprogrammable (see page 6 for available options).

Key Features

  •  32kHz quartz oscillator  Integrated capacitors, mask selectable  Single battery operation  0.7 A typical current consumption  Low resistance outputs for bipolar stepping motor  Mask options for pad designation, motor period and pulse width, alarm frequency, modulation and duty cycle  Alarm output function compatible with either NPN or PNP-driver transistors  Alarm input function  1024Hz output on ALIN pad for oscillator frequency verification  Fast test function  ESD protected termi.

EM1344 Distributor & Price

Compare EM1344 distributor prices and check real-time stock availability from major suppliers. Prices and inventory may vary by region and order quantity.