Datasheet4U Logo Datasheet4U.com
ESMT (Elite Semiconductor Microelectronics Technology) logo

EHB0528 Datasheet

Manufacturer: ESMT (Elite Semiconductor Microelectronics Technology)
EHB0528 datasheet preview

Datasheet Details

Part number EHB0528
Datasheet EHB0528-ESMT.pdf
File Size 1.01 MB
Manufacturer ESMT (Elite Semiconductor Microelectronics Technology)
Description 12V 1A H-Bridge Driver
EHB0528 page 2 EHB0528 page 3

EHB0528 Overview

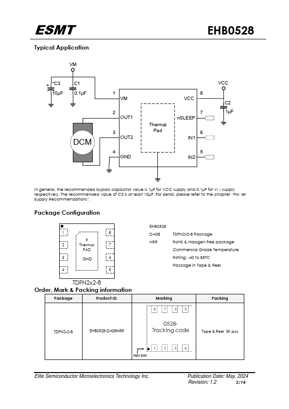
The EHB0528 device provides an integrated motor driver solution for cameras, consumer products, toys, and other low-voltage or battery-powered motion control applications. The device can drive one dc motor or other devices like solenoids. The output driver block consists of N-channel power MOSFETs configured as an H-bridge to drive the motor winding.

ESMT (Elite Semiconductor Microelectronics Technology) logo - Manufacturer

More Datasheets from ESMT (Elite Semiconductor Microelectronics Technology)

See all ESMT (Elite Semiconductor Microelectronics Technology) datasheets

Part Number Description
EHB0529 12V 2A H-Bridge Driver
EHB0610 8V to 36V 3 Phases P/N Gate Driver

EHB0528 Distributor

Datasheet4U Logo
Since 2006. D4U Semicon. About Datasheet4U Contact Us Privacy Policy Purchase of parts