Datasheet4U Logo Datasheet4U.com
ESMT (Elite Semiconductor Microelectronics Technology) logo

EHB0610

Manufacturer: ESMT (Elite Semiconductor Microelectronics Technology)

EHB0610 datasheet by ESMT (Elite Semiconductor Microelectronics Technology).

EHB0610 datasheet preview

EHB0610 Datasheet Details

Part number EHB0610
Datasheet EHB0610-ESMT.pdf
File Size 878.79 KB
Manufacturer ESMT (Elite Semiconductor Microelectronics Technology)
Description 8V to 36V 3 Phases P/N Gate Driver
EHB0610 page 2 EHB0610 page 3

EHB0610 Overview

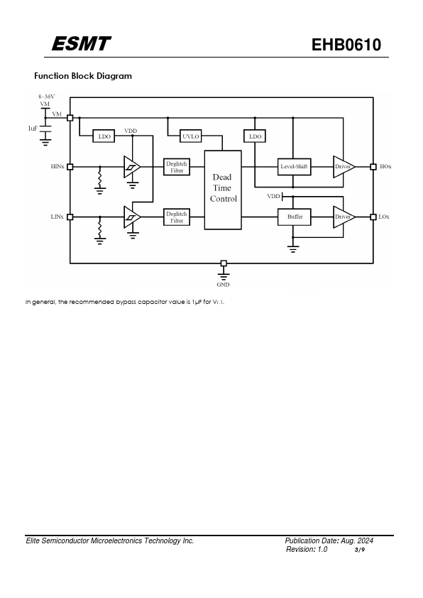
The EHB0610 is a P/N gate driver IC designed for three phases brushless DC motor applications. It has two inputs for both high side and low side, and two outputs per channel with internal dead time to prevent shoot through. The remended input voltage range of EHB0610 is 8V to 36V.

EHB0610 Key Features

  • 8V to 36V Input Voltage Range
  • Output 5V VGS for both PMOS and NMOS
  • Independent inputs for high side and low side
  • Logic Shoot Through Prevention
  • Under Voltage Lock Out Protection
  • SOP-16 package

EHB0610 Applications

  • 8V to 36V Input Voltage Range
  • Output 5V VGS for both PMOS and NMOS
  • Independent inputs for high side and low side
ESMT (Elite Semiconductor Microelectronics Technology) logo - Manufacturer

More Datasheets from ESMT (Elite Semiconductor Microelectronics Technology)

View all ESMT (Elite Semiconductor Microelectronics Technology) datasheets

Part Number Description
EHB0528 12V 1A H-Bridge Driver
EHB0529 12V 2A H-Bridge Driver

EHB0610 Distributor

Datasheet4U Logo
Since 2006. D4U Semicon. About Datasheet4U Contact Us Privacy Policy Purchase of parts