Datasheet4U Logo Datasheet4U.com
ESMT (Elite Semiconductor Microelectronics Technology) logo

EMG1130

Manufacturer: ESMT (Elite Semiconductor Microelectronics Technology)

EMG1130 datasheet by ESMT (Elite Semiconductor Microelectronics Technology).

EMG1130 datasheet preview

EMG1130 Datasheet Details

Part number EMG1130
Datasheet EMG1130-ESMT.pdf
File Size 2.04 MB
Manufacturer ESMT (Elite Semiconductor Microelectronics Technology)
Description FOC Motor Controller with 3-Phase 36V P/N Gate Driver
EMG1130 page 2 EMG1130 page 3

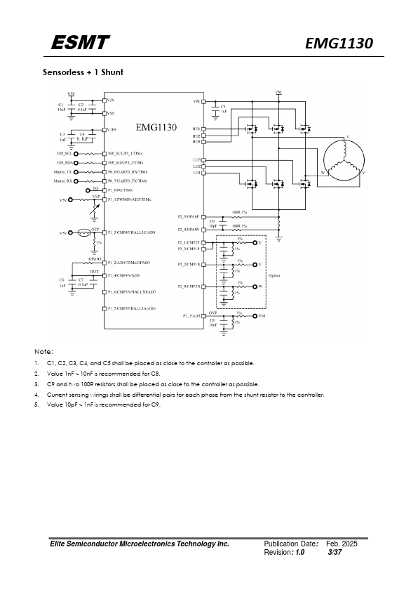
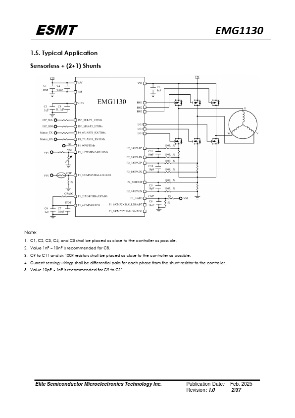
EMG1130 Overview

The EMG1130 includes a controller that integrates the 8051 core with peripheral circuits to perform Sine-Wave Field-oriented control (F.O.C.) of PMSM/BLDC motor applications. For rotor position detection, it support sensorless, Hall latch, Hall element, and BEMF input. In addition, system level peripheral functions, such as ADC, UART interface, IR decoder, watchdog timer, current sensing, short circuit protection...

EMG1130 Key Features

  • Operation Frequency 24MHz
  • High-performance 8051 Microcontroller
  • Vector Interrupt Controller, 13 Interrupt Sources
  • Operating Voltage Range: 4.5V to 5.5V
  • Memory size
  • 18KB Flash Program Memory
  • 256 x 8bit IRAM
  • 2K x 8bit XRAM
  • Up to 18 General-Purpose Input / Output(GPIO) Pins
  • Two 16-bit Timers and One 8-bit Timer
ESMT (Elite Semiconductor Microelectronics Technology) logo - Manufacturer

More Datasheets from ESMT (Elite Semiconductor Microelectronics Technology)

View all ESMT (Elite Semiconductor Microelectronics Technology) datasheets

Part Number Description
EMG1610 FOC Motor Controller with 3-Phase 600V Gate Driver

EMG1130 Distributor

Datasheet4U Logo
Since 2006. D4U Semicon. About Datasheet4U Contact Us Privacy Policy Purchase of parts