Datasheet4U Logo Datasheet4U.com
ESMT (Elite Semiconductor Microelectronics Technology) logo

EMT1042 Datasheet

Manufacturer: ESMT (Elite Semiconductor Microelectronics Technology)
EMT1042 datasheet preview

Datasheet Details

Part number EMT1042
Datasheet EMT1042-ESMT.pdf
File Size 1.21 MB
Manufacturer ESMT (Elite Semiconductor Microelectronics Technology)
Description Three Phases BLDC Motor Controller
EMT1042 page 2 EMT1042 page 3

EMT1042 Overview

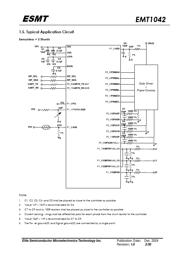
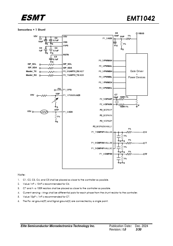
The EMT1042 integrates the 8051 core with peripheral circuits to perform sine-wave motor control. For rotor position detection, it can support sensorless motor or Hall latch IC input. In addition, system level peripheral functions, such as ADC, OPAMP, parator, munication interface, SVPWM, watchdog timer, current sensing, undervoltage-lockout (UVLO), over current protection (OCP) and locked-rotor protection are...

EMT1042 Key Features

  • Operation Frequency 24MHz
  • High-performance 8051 Microcontroller
  • Vector Interrupt Controller, 12 Interrupt Sources
  • Operating Voltage Range: 4.5V to 5.5V
  • Memory size
  • 32KB Flash Program Memory
  • 256 x 8bit IRAM
  • 4K x 8bit XRAM
  • Up to 19 General-Purpose Input / Output(GPIO) Pins
  • Two Timers
ESMT (Elite Semiconductor Microelectronics Technology) logo - Manufacturer

More Datasheets from ESMT (Elite Semiconductor Microelectronics Technology)

See all ESMT (Elite Semiconductor Microelectronics Technology) datasheets

Part Number Description
EMT1050 Three-Phase FOC PMSM/BLDC Motor Controller

EMT1042 Distributor

Datasheet4U Logo
Since 2006. D4U Semicon. About Datasheet4U Contact Us Privacy Policy Purchase of parts