• Part: EMP8130
  • Description: 300mA CMOS Linear Regulator
  • Category: Voltage Regulator
  • Manufacturer: Elite Semiconductor Microelectronics Technology
  • Size: 811.38 KB
Download EMP8130 Datasheet PDF
Elite Semiconductor Microelectronics Technology
EMP8130
EMP8130 is 300mA CMOS Linear Regulator manufactured by Elite Semiconductor Microelectronics Technology.
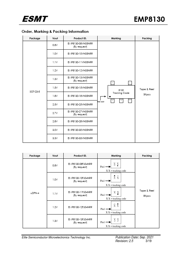
ESMT Ultra High-PSRR, Low-Noise, 300m A CMOS Linear Regulator General Description u DFN-4, SOT-23-3 and TDFN-6 package. The EMP8130 Features ultra-high power supply rejection ratio, low output voltage noise, low dropout voltage, low quiescent current and fast transient response. It guarantees delivery of 300m A output current and supports preset output voltages ranging from 0.8V to 4.5V with 0.1V increment. Based on its low quiescent current consumption and its less than 1u A shutdown mode of logical operation, the EMP8130 is ideal for battery-powered applications. The high power supply rejection ratio of the EMP8130 holds well for low input voltages typically encountered in battery-operated systems. The regulator is stable with small ceramic capacitive loads . The EMP8130 offers current fold-back which throttles down the output current with a decrease in load resistance. The typical value at which current fold-back kicks in is 420m A; the typical value of the output short current limit value is 40m A. The EMP8130 is available in miniature SOT-23-5, Typical Application Applications  Wireless handsets  PCMCIA cards  DSP core power  Hand-held instruments  Battery-powered systems  Portable information appliances Features  300m A guaranteed output current  75d B typical PSRR at 1k Hz  260m V (VOUT=3.3V) typical dropout at 300m A  52µ A typical quiescent current  Less than 1µA typical shutdown mode  Fast line and load transient response  1.7V to 5.5V input range  Auto-discharge during chip disable  0.8V to 4.5V output voltage range  Stable with small ceramic output capacitors  Fold-back over current protection  ±1% output voltage tolerance 1u F Ceramic Capacitor ON/OFF EN GND VOUT 2.2u F Ceramic Capacitor Elite Semiconductor Microelectronics Technology Inc. Publication Date: Sep. 2021 Revision: 2.5 1/19 ESMT Connection Diagrams SOT-23-5 Thermal pad OUT u DFN-4...