Datasheet4U Logo Datasheet4U.com
Fairchild (now onsemi) logo

FAN7390

Manufacturer: Fairchild (now onsemi)

FAN7390 datasheet by Fairchild (now onsemi).

FAN7390 datasheet preview

FAN7390 Datasheet Details

Part number FAN7390
Datasheet FAN7390_FairchildSemiconductor.pdf
File Size 1.55 MB
Manufacturer Fairchild (now onsemi)
Description Gate-Driver
FAN7390 page 2 FAN7390 page 3

FAN7390 Overview

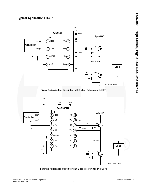
The FAN7390 is a monolithic high- and low-side gatedrive IC, which can drive high speed MOSFETs and IGBTs that operate up to +600V. It has a buffered output stage with all NMOS transistors designed for high pulse current driving capability and minimum cross-conduction. Fairchild’s high-voltage process and mon-mode noise canceling techniques provide stable operation of the high-side driver under high dv/dt noise...

FAN7390 Key Features

  • Floating Channels for Bootstrap Operation to +600V
  • Typically 4.5A/4.5A Sourcing/Sinking Current Driving
Fairchild (now onsemi) logo - Manufacturer

More Datasheets from Fairchild (now onsemi)

View all Fairchild (now onsemi) datasheets

Part Number Description
FAN73901 Gate-Driver
FAN7390A Gate-Drive IC
FAN7391 Gate-Drive
FAN7392 Gate-Driver
FAN7393 Half-Bridge Gate Drive IC
FAN73932 HALF-BRIDGE GATE DRIVER
FAN73933 Half-Bridge Gate Drive IC
FAN7393A Half-Bridge Gate Drive IC
FAN7300 LCD Back Light Inverter Drive IC
FAN7310 LCD Back Light Inverter Driver

FAN7390 Distributor

Datasheet4U Logo
Since 2006. D4U Semicon. About Datasheet4U Contact Us Privacy Policy Purchase of parts