• Part: HD74HC152
  • Description: 1-of-8-line Data Selector/Multiplexer
  • Manufacturer: Hitachi Semiconductor
  • Size: 48.45 KB
Download HD74HC152 Datasheet PDF
Hitachi Semiconductor
HD74HC152
HD74HC152 is 1-of-8-line Data Selector/Multiplexer manufactured by Hitachi Semiconductor.
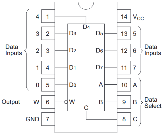
Description This data selector/multiplexer contains full-on-chip binary decoding to select the desired data source. The HD74HC152 selects one-of-eight data sources. Features - - - - - High Speed Operation: tpd (Any D to W) = 17 ns typ (CL = 50 p F) High Output Current: Fanout of 10 LSTTL Loads Wide Operating Voltage: VCC = 2 to 6 V Low Input Current: 1 µA max Low Quiescent Supply Current: ICC (static) = 4 µA max (Ta = 25°C) Function Table Select inputs C L L L L B L L H H A L H L H Output W D0 D1 D2 D3 Select inputs C H H H H B L L H H A L H L H Output W D4 D5 D6 D7 Note: D0 to D7: the level of the D respective input Pin Arrangement 4 3 Data Inputs 2 1 0 Output W GND 1 D4 2 3 4 5 6 7 (Top view) D3 D2 D1 D0 W C D5 D6 D7 A B 14 VCC 13 5 12 6 11 7 10 A 9 8 B C Data Select Data Inputs Logic Diagram D0 D1 D2 D3 W D4 D5 D6 D7 DC Characteristics Ta = 25°C Item Input voltage Symbol VIH Ta = - 40 to +85°C Max - - - 0.5 1.35 1.8 - - - - - 0.1 0.1 0.1 0.33 0.33 ±1.0 40 µA µA I OL = 4 m A I OL = 5.2 m A Vin = VCC or GND Vin = VCC or GND, Iout = 0 µA V I OH = - 4 m A I OH = - 5.2 m A Vin = VIH or VIL I OL = 20 µA V Vin = VIH or VIL I OH = - 20 µA V Unit V Test Conditions VCC (V) Min Typ Max Min 2.0 4.5 6.0 1.5 - 3.15 - 4.2 - - - - - - - - - - 0.5 1.5 3.15 4.2 - VIL 2.0 4.5 6.0 - 1.8 - 1.9 4.4 5.9 4.13 5.63 - -...
HD74HC152 reference image

Representative HD74HC152 image (package may vary by manufacturer)