Datasheet4U Logo Datasheet4U.com
Holtek Semiconductor logo

HT48C05

Manufacturer: Holtek Semiconductor

HT48C05 datasheet by Holtek Semiconductor.

HT48C05 datasheet preview

HT48C05 Datasheet Details

Part number HT48C05
Datasheet HT48C05_HoltekSemiconductor.pdf
File Size 279.06 KB
Manufacturer Holtek Semiconductor
Description Cost-Effective I/O Type 8-Bit MCU
HT48C05 page 2 HT48C05 page 3

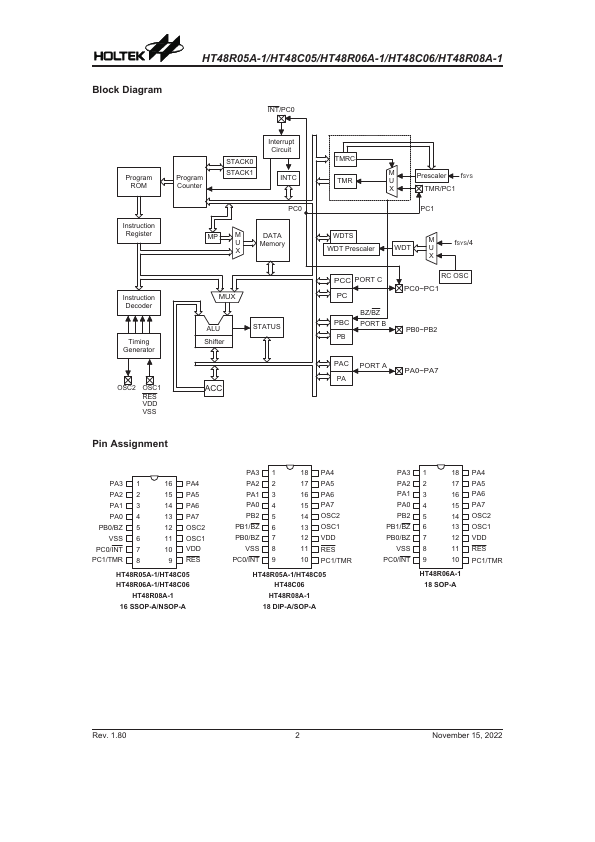
HT48C05 Overview

The mask version HT48C05 and HT48C06 are fully pin and functionally patible with the OTP version HT48R05A-1 and HT48R06A-1 devices. The advantages of low power consumption, I/O flexibility, timer functions, oscillator options, HALT and wake-up functions, watchdog timer, buzzer driver, as well as low cost, enhance the versatility of these devices to suit a wide range of application possibilities such as industrial...

HT48C05 Key Features

  • Operating voltage
  • Buzzer driving pair and PFD supported
  • HALT function and wake-up feature reduce power
  • 13 bidirectional I/O lines
  • An interrupt input shared with an I/O line
  • 8-bit programmable timer/event counter with over
  • Up to 0.5ms instruction cycle with 8MHz system clock
  • Allinstructionsinoneortwomachinecycles
  • 14-bit table read instruction
  • Two-level subroutine nesting
Holtek Semiconductor logo - Manufacturer

More Datasheets from Holtek Semiconductor

View all Holtek Semiconductor datasheets

Part Number Description
HT48C05A-1 Cost-Effective I/O Type 8-Bit MCU
HT48C06 Cost-Effective I/O Type 8-Bit MCU
HT48C062 (HT48R062 / HT48C062) Cost Effective I/O Type 8-Bit MCU
HT48C06A-1 Cost-Effective I/O Type 8-Bit MCU
HT48C10-1 I/O Type 8-Bit MCU
HT48C11 (HT48Cxx) 8-Bit Microcontroller Series
HT48C30-1 I/O Type 8-Bit MCU
HT48C50A-1 (HT48R50A-1 / HT48C50A-1) I/O Type 8-Bit MCU
HT48C70-1 I/O Type 8-Bit MCU
HT48CA0-1 (HT48RA0-1 / HT48CA0-1) Remote Type 8-Bit MCU

HT48C05 Distributor

Datasheet4U Logo
Since 2006. D4U Semicon. About Datasheet4U Contact Us Privacy Policy Purchase of parts