• Part: BA45F5220
  • Description: Smoke Detector Flash MCU
  • Manufacturer: Holtek Semiconductor
  • Size: 1.70 MB
Download BA45F5220 Datasheet PDF
Holtek Semiconductor
BA45F5220
BA45F5220 is Smoke Detector Flash MCU manufactured by Holtek Semiconductor.
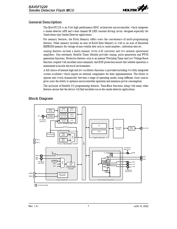
Features CPU Features - Operating Voltage - f SYS=8MHz: 2.2V~5.5V - Up to 0.5μs instruction cycle with 8MHz system clock at VDD=5V - Power down and wake-up functions to reduce power consumption - Oscillators - Internal High Speed 8MHz RC Oscillator - HIRC - Internal Low Speed 32k Hz RC Oscillator - LIRC - Fully integrated internal oscillators require no external ponents - Multi-mode operation: FAST, SLOW, IDLE and SLEEP - All instructions executed in one or two instruction cycles - Table read instructions - 61 powerful instructions - 4-level subroutine nesting - Bit manipulation instruction Peripheral Features - Flash Program Memory: 1K×14 - RAM Data Memory: 64×8 - Emulated EEPROM Memory: 32×14 - Watchdog Timer function - Up to 4 bidirectional I/O lines - Single pin-shared external interrupt - A Timer Module for time measurement, input capture, pare match output, PWM output function or single pulse output function - Dual Time-Base functions for generation of fixed time interrupt signals - 3 external channel 10-bit resolution A/D converter - Sink current generator for constant current output - Smoke Detector AFE including two operational amplifiers - Low voltage reset function - Package types: 8/10-pin SOP Rev. 1.31 June 10, 2022 BA45F5220 Smoke Detector Flash MCU General Description The BA45F5220 is an 8-bit high performance RISC architecture microcontroller, which integrates a smoke detector AFE and a dual channel IR LED constant driving circuit, designed especially for Stand-alone type Smoke Detector applications. For memory features , the Flash Memory offers users the convenience of multi-programming features . Other memory includes an area of RAM Data Memory as well as an area of Emulated EEPROM memory for storage of non-volatile data such as serial numbers, calibration data etc. Analog features include a multi-channel 10-bit A/D converter and two internal operational amplifiers. One extremely flexible Timer Module provides timing, pulse generation and PWM...