Download HT45R04 Datasheet PDF
Holtek Semiconductor
HT45R04
HT45R04 is A/D Type 8-Bit MCU manufactured by Holtek Semiconductor.
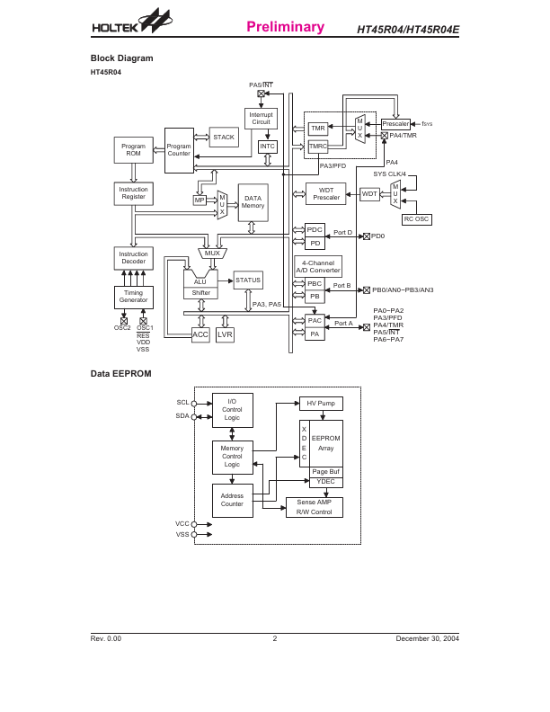
Features - Operating voltage: 2.2V~5.5V (IDD<200m A, when f SYS=455k Hz, VDD=+5V) - Operating frequency: 400KHz~2MHz - 13 bidirectional I/O lines (PA, PB0~PB3, PD0) - One interrupt input shared with an I/O line - 8-bit programmable timer/event counter with over- flow interrupt and 7-stage prescaler - On-chip crystal and RC oscillator - Watchdog Timer - 1024´14 program memory - 64´8 bank data memory RAM - Supports PFD for sound generation - HALT function and wake-up feature reduce power consumption - Up to 2ms instruction cycle with 2MHz system clock at VDD=5V - 4-level subroutine nesting - 4 channels 8-bit resolution A/D converter - Bit manipulation instruction - 14-bit table read instruction - 63 powerful instructions - All instructions in 1 or 2 machine cycles - Low voltage reset function - 18-pin SOP package General Description The HT45R04 is an 8-bit high performance, RISC architecture microcontroller devices specifically designed for A/D applications that interface directly to analog signals, such as those from sensors. There are two dice in the HT45R04E package: one is the HT45R04 MCU, the other is a 128´8 bits EEPROM used for data memory purpose. The two dice are wire-bonded to form HT45R04E. The advantages of low power consumption, I/O flexibility, programmable frequency divider, timer functions, oscillator options, multi-channel A/D Converter, HALT and wake-up functions, enhance the versatility of these devices to suit a wide range of A/D application possibilities such as security systems, smoke detectors, smart tags, etc. Rev. 0.00 December 30, 2004 Block Diagram Preliminary HT45R04/HT45R04E P A 5 /IN T P ro g ra m ROM P ro g ra m C o u n te r STAC K In te rru p t C ir c u it IN T C In s tr u c tio n R e g is te...