• Part: HT74153
  • Description: 6.0V 2.0A 1.2MHz Synchronous Step-Down Converter
  • Manufacturer: Holtek Semiconductor
  • Size: 1.41 MB
HT74153 Datasheet (PDF) Download
Holtek Semiconductor
HT74153

Description

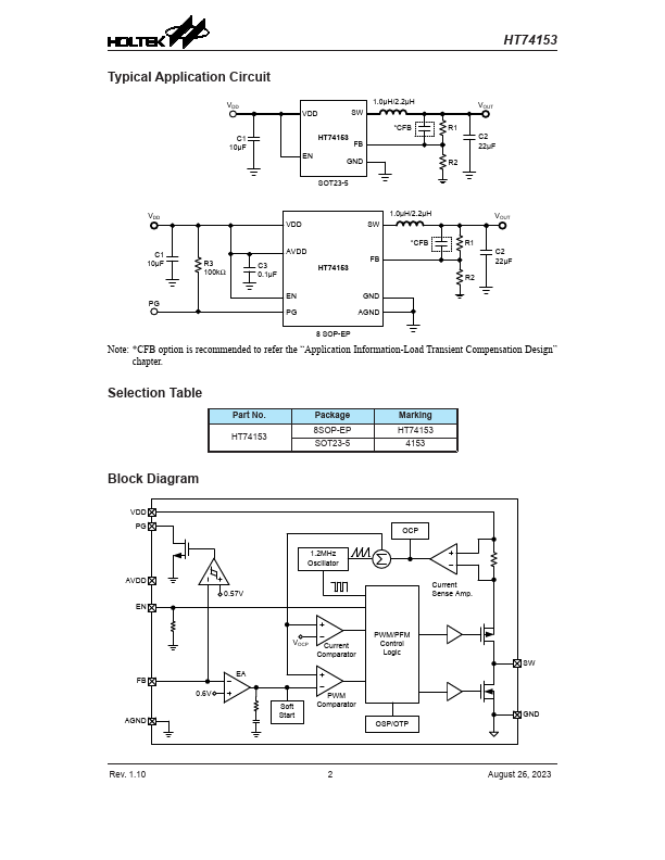
The HT74153 is a high efficiency synchronous step-down converter capable of delivering 2A output current. It can operate over a wide input voltage range from 2.5V to 6.0V and integrates 100mΩ low on-resistance main and rectified switches to minimize the conduction losses.

Key Features

  • Wide input range of VIN from 2.5V to 6.0V
  • Output voltage range from 0.6V to VDD
  • Internal low on-resistance switches
  • High-Side RDS(ON) 100mΩ
  • Low-Side RDS(ON) 100mΩ
  • 100% duty cycle operation
  • Switching frequency: 1.2MHz
  • PFM mode operation when no load/light load conditions
  • Output voltage power good indicator when VOUT=0.95×VOUT(TARGET) (8SOP-EP)
  • Low IC surface temperature in short circuit protection