• Part: HT74173
  • Description: 6.0V 3.0A 1.2MHz Synchronous Step-Down Converter
  • Manufacturer: Holtek Semiconductor
  • Size: 2.00 MB
HT74173 Datasheet (PDF) Download
Holtek Semiconductor
HT74173

Description

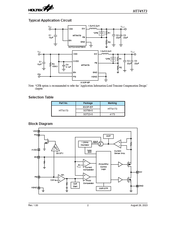
The HT74173 is a high efficiency synchronous stepdown converter capable of delivering 3A output current. It can operate over a wide input voltage range from 2.5V to 6.0V and integrates 80mΩ low onresistance main and rectified switches to minimize the conduction losses.

Key Features

  • Wide Input Range of VIN from 2.5V to 6.0V
  • Output Voltage Range from 0.6V to VDD
  • Internal Low On-Resistance Switches
  • High-Side RDS(ON) 80mΩ
  • Low-Side RDS(ON) 80mΩ
  • 100% Duty Cycle Operation
  • Switching Frequency: 1.2MHz
  • PFM Mode Operation When No Load/Light Load Conditions
  • Output Voltage Power Good Indicator When VOUT=0.93×VOUT(TARGET) (8SOP-EP)
  • Protection Features