Download HT7580 Datasheet PDF
Holtek Semiconductor
HT7580
HT7580 is High Driver Regulator manufactured by Holtek Semiconductor.
- Part of the HT7530 comparator family.
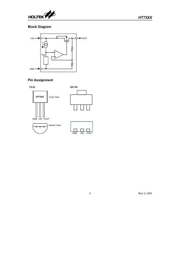
HT75XX High Driver Regulator Features - Low power consumption - Low voltage drop - Low temperature coefficient - High input voltage (up to 24V) - High output current : 100m A (Pd £ 250m W) - TO-92 and SOT-89 package Applications - Battery-powered equipment - munication equipment General Description The HT75XX series is a set of three-terminal high current low voltage regulator implemented in CMOS technology. They can deliver 100m A output current and allow an input voltage as high as 24V. They are available with several fixed output voltages ranging from 3.0V to 8V. CMOS technology ensures low voltage drop and low quiescent current. - Audio/Video equipment Although designed primarily as fixed voltage regulators, these devices can be used with external ponents to obtain variable voltages and currents. Selection Table Part No. HT7530 HT7533 HT7536 HT7544 HT7550 HT7580 Output Voltage 3.0V 3.3V 3.6V 4.4V 5.0V 8.0V Tolerance ±5% ±5% ±5% ±5% ±5% ±5% May 2, 2000 Block Diagram V IN VO UT V re f Pin Assignment T O -9 2 H T75X X F r o n t V ie w S O T -8...