• Part: HT7718B
  • Description: 5V/100mA PFM Asynchronous Step-up Converter
  • Manufacturer: Holtek Semiconductor
  • Size: 1.45 MB
HT7718B Datasheet (PDF) Download
Holtek Semiconductor
HT7718B

Description

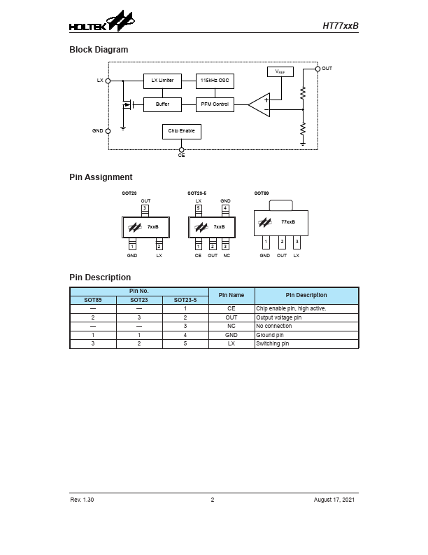
The HT77xxB series is a set of PFM step-up DC/DC converters with high efficiency and low ripple. The series features extremely low start-up voltage and high output voltage accuracy.

Key Features

  • Low startup voltage: 0.85V (Typical)
  • High efficiency Up to 85%
  • Ultra low no load input current
  • High output voltage accuracy: ±2.5%
  • Ultra low shutdown current: 0.1μA (Typical)