• Part: HT79181
  • Description: 500kHz Synchronous Step-Up PWM Converter
  • Manufacturer: Holtek Semiconductor
  • Size: 9.11 MB
HT79181 Datasheet (PDF) Download
Holtek Semiconductor
HT79181

Description

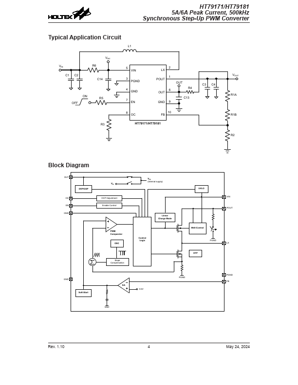
The HT79171 and HT79181 are synchronous step-up DC-DC converters. With a wide input range from 2.2V to 5.0V, the devices are suitable for portable li-battery based applications such as power banks.

Key Features

  • Input Voltage from 2.2V to 5.0V
  • Adjustable Output Voltage from 2.6V to 5.5V
  • Up to 95% Efficiency
  • Fixed PWM Switching Frequency: 500kHz
  • Precision Feedback Reference Voltage: 0.6V (±1.5%)
  • Ultra-Low Shutdown Current < 1μA
  • Load Disconnect (VOUT=0V) and Fast Discharging to Ground during Shutdown
  • Embedded Loop Frequency pensation
  • Programmable OCP Threshold via External Resistor, RCS
  • Package Types: 10-pin QFN and 8-pin SOP-EP