• Part: HT7K1312
  • Description: Peak Current 3A H-Bridge Driver
  • Manufacturer: Holtek Semiconductor
  • Size: 956.28 KB
Download HT7K1312 Datasheet PDF
Holtek Semiconductor
HT7K1312
HT7K1312 is Peak Current 3A H-Bridge Driver manufactured by Holtek Semiconductor.
- Part of the HT7K1311 comparator family.
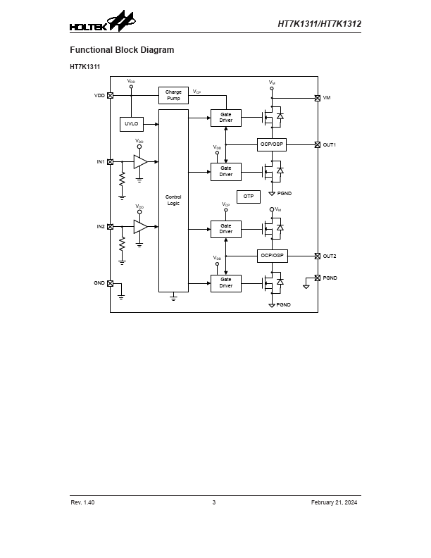
Features - 1 Channel H-Bridge Motor Driver: Low MOSFET On-resistance: 0.3Ω (HS+LS) - Wide VDD Input Voltage Range of 2.5V to 5.5V - Maximum Motor Power Supply VM: Up to 15V - Maximum 3.0A Motor Peak Current - Four Operation Modes: Forward, Reverse, Brake and Standby - Sleep Period Activation Mechanism - HT7K1311: Automatically entering Sleep Period by resetting both IN1 and IN2 pins for over 10ms - HT7K1312: Immediately entering Sleep Period controlled by EN pin - Low Sleep Current < 0.1μA - Split Controller and Motor Power Supplies: VDD and VM - Isolation Motor Current Sensing Pin: PGND for HT7K1311 only - Up to 200k Hz PWM Input Control Operation - Internal Pull Down Resistor - IN1/IN2: 135kΩ for HT7K1311/HT7K1312 - EN: 12kΩ for HT7K1312 only - Protection Features : - VDD Under Voltage Lock-Out - Over Current Protection - Thermal Shutdown Protection - Output Short Circuit Protection - Package Type - HT7K1311: 8-pin SOP-EP - HT7K1312: 8-pin DFN - Operation Temperature Range: -40o C to +85o C Applications - Electric locks, toys, portable printers General Description The HT7K1311/HT7K1312 is a 1-channel H-bridge driver with a maximum motor peak current of 3.0A. Its outstanding low on-resistance characteristic results in excellent output efficiency which is a major advantage in battery powered systems. A simple two input control pin structure is used to provide four control modes: Forward, Reverse, Brake and Standby modes. With a PWM input control frequency of up to 200k Hz, accurate speed control can be implemented for a wide variety of applications. A full range of protection functions are integrated including OCP, OSP and OTP to prevent device damage even if the motor stalls or experiences a short circuit in critical operating environments. As the automatic Sleep Period activation mechanism uses the same mode control pins, an additional extra shutdown signal is not required for HT7K1311. However, for HT7K1312 an extra enable pin, EN, directly determines whether the...