• Part: HT7K1411
  • Description: Peak Current 3.2A H-Bridge Driver
  • Manufacturer: Holtek Semiconductor
  • Size: 900.65 KB
Download HT7K1411 Datasheet PDF
Holtek Semiconductor
HT7K1411
HT7K1411 is Peak Current 3.2A H-Bridge Driver manufactured by Holtek Semiconductor.
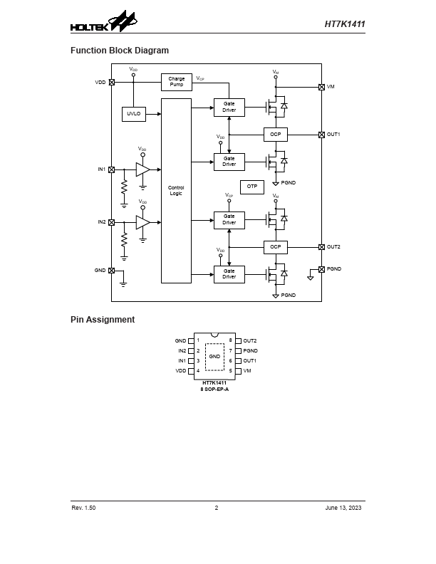
Features - 1 Channel H-Bridge Motor Driver: Low MOSFET On-resistance: 0.4Ω (HS+LS) - Wide VDD Input Voltage Range of 2.5V to 5.5V - Maximum Motor Power Supply VM: 24V - Maximum 3.2A Motor Peak Current - Four Operation Modes: Forward, Reverse, Brake and Standby - Low Sleep Current < 1μA - Automatic Enters into Sleep Period by Reset both IN1 and IN2 over 10ms - Split Controller and Motor Power Supplies: VDD and VM - Isolation Motor Current Sensing Pin: PGND - Up to 200k Hz PWM Input Control Operation - IN1/IN2 Pull Down Resistor Internally - Protection Features - VDD Under Voltage Lock-Out - Over Current Protection - Thermal Shutdown Protection - Output Short Circuit Protection - Package Type: 8-pin SOP-EP - Operation Temperature Range: -40o C to +85o C Applications - Swing head motors, white appliance, valve/pump, electric locks General Description The HT7K1411 is a 1-channel H-bridge driver with a maximum motor peak current of 3.2A. Its outstanding low on-resistance characteristic results in excellent output efficiency which is a major advantage in battery powered systems. A simple two input control pin structure is used to provide four control modes: Forward, Reverse, Brake and Standby modes. With a PWM input control frequency of up to 200k Hz, accurate speed control can be implemented for a wide variety of applications. A full range of protection functions are integrated including OCP, OSP and OTP to prevent device damage even if the motor stalls or experiences a short circuit in critical operating environments. As the automatic sleep period activation mechanism uses the same mode control pins, an additional extra shutdown signal is not required. In addition, a low 1μA sleep period current ensures long battery life. The device also includes separate power supplies for the control circuits and the motor power supply and also includes a current sensing pin to allow the system to measure the motor current using an external resistor. Typical Application Circuit VDD...