• Part: HT7L5502
  • Description: Primary-Side Regulation Dimmable LED Driver
  • Manufacturer: Holtek Semiconductor
  • Size: 578.58 KB
HT7L5502 Datasheet (PDF) Download
Holtek Semiconductor
HT7L5502

Description

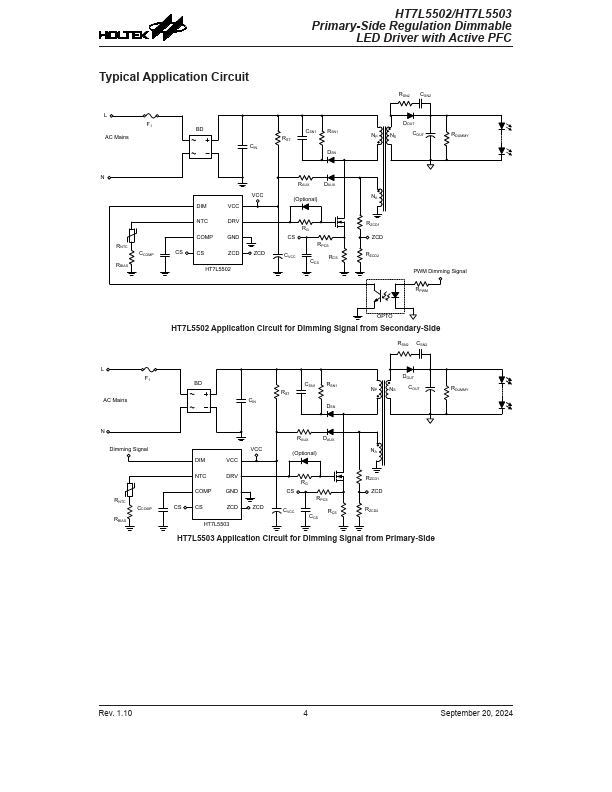
The HT7L5502/03 is a controller for implementing constant current LED driver with power factor correction (PFC). By using primary-side regulation, it controls the LED output current accurately without the need of secondary-side feedback ponents.

Key Features

  • Primary-side current regulation without secondary-side feedback circuitry
  • Power factor higher than 0.9
  • compatible with wide dimming range
  • PWM dimming range: 5%~100%
  • Analog dimming range: 10%~100%
  • Tight LED constant current regulation of ±3%
  • Line pensation for enhanced LED current accuracy
  • Constant voltage regulation when LED is turned off
  • Full protection functions for enhanced safety
  • Output over voltage protection