• Part: HT7Q1521
  • Description: 3 to 8 Cell Analog Front End
  • Manufacturer: Holtek Semiconductor
  • Size: 1.02 MB
Download HT7Q1521 Datasheet PDF
Holtek Semiconductor
HT7Q1521
HT7Q1521 is 3 to 8 Cell Analog Front End manufactured by Holtek Semiconductor.
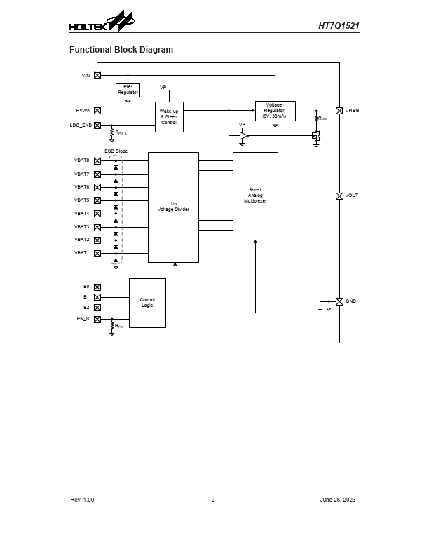
Features - VIN Input Range from 7.5V to 36V - Accumulative Cell Voltage Monitor - 8-to-1 Analog Multiplexer with divided ratio accuracy: 1/n ± 0.5% - Reverse-current prevention switching scan fre- quency of 100Hz - Requires fewer MCU A/D Converters (ADCs) - 5V/30m A internal Voltage Regulator with ±1% accuracy - Sleep Mode with 0.1μA ultra-low standby current - Direct High Voltage Wake-up function - Operating Temperature Range: -40°C to +85°C - Package Types: 16-pin NSOPand 24-pin SSOP (150mil) Applications - Electric power tools - Handheld vacuum cleaners General Description The HT7Q1521 is a high voltage analog-front-end IC for 3 to 8 cell Li-ion rechargeable battery protection. It consists of an accumulative cell voltage monitor and a high accuracy voltage regulator. The device is designed to monitor an accumulative voltage from 1 to N and outputs the divide-by-N voltage to the analog multiplexer with a ±0.5% divided ratio accuracy. The anti-reverse current switch is implemented to prevent a backflow current even if VOUT is higher than VBATn. Each divided accumulative cell voltage can be observed sequentially from VBAT1 to VBAT8 which benefits MCUs with a lower number of ADCs. There are 3 control bits, B0, B1 and B2, to select which terminal voltage outputs with a maximum 100Hz scanning frequency when COUT=2.2n F. The enable pin, EN_S, is used to close all switches and the output voltage is pulled down by an internal 1MΩ resistor. An integrated regulator provides a 5V supply to the MCU with a 30m A driving current capability and which has ±1% accuracy. The voltage regulator and cell voltage monitor are shut down with an ultra-low standby current of 0.1μA when the device is in the Sleep Mode. When the HVWK pin is triggered by a voltage greater than its threshold, the device will return to the normal operating state. Rev. 1.00 June 26, 2023 Functional Block Diagram VIN Pre- Regulator HVWK LDO_ENB RPD_S VBAT8 VBAT7 VBAT6 VBAT5 VBAT4 VBAT3 VBAT2 VBAT1 ESD...