• Part: HT7Q2552
  • Description: 3 to 8 Cell Analog Front End
  • Manufacturer: Holtek Semiconductor
  • Size: 1.00 MB
Download HT7Q2552 Datasheet PDF
Holtek Semiconductor
HT7Q2552
HT7Q2552 is 3 to 8 Cell Analog Front End manufactured by Holtek Semiconductor.
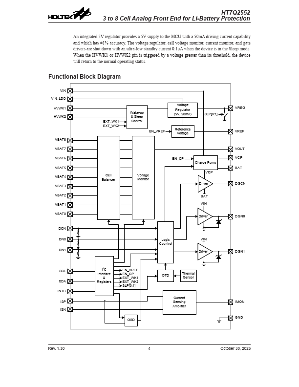
Features - VIN input ranges from 7.5V to 36V - Individual cell voltage monitor outputs 1/2 of battery cell voltage, when the analog output is 2.1V, it has an accuracy of ±7.5m V - Internal cell balance switches - Integrated voltage regulator with 5V/50m A and ±1% accuracy - At Ta=-40o C~85o C, 2.5V reference voltage output with a maximum variation of 15m V in temperature drift - Two Discharge N-type MOSFET gate drivers - Single Charge N-type MOSFET gate driver - Charge/Discharge differential current monitor: - IMON pin outputs amplified ISP-ISN differential voltage - Voltage amplifying rate selection: 10/50 - Discharge short-current detection: - Detection threshold voltage selection: 50m V/100m V/150m V/200m V/250m V/300m V/350m V/400m V - Detection debounce time selection: 0μs~992μs, 32 sections, 32μs per section - Integrated Over-temperature protection selection: 85℃/100℃/125℃/150℃ - Sleep mode with 0.1μA ultra-low standby current - Two High-voltage wake-up functions - I2C bus munication with host MCU - Operating temperature range: -40o C to +85o C - Package type: 32-pin QFN Applications - Handheld vacuum cleaners - Electric power tools General Description The HT7Q2552 is a high voltage analog-front-end IC for 3 to 8 cell Li-ion rechargeable battery protection. It consists of a 5V high accuracy regulator, an accuracy 2.5V reference voltage output, an individual cell voltage monitor, two discharge paths, i.e., low-side power switch gate drivers, a charge path, i.e., high-side power switch gate driver, a charge/discharge differential current monitor, and a discharge short-current protection. The cell voltage monitor is designed to monitor each battery cell voltage individually and outputs the divide-by-2 voltage to the analog multiplexer with ±7.5m V accuracy. The current monitor channel provides charge and discharge current monitoring and short-current protection. The device can directly drive external N-type MOSFETs to control charge and discharge by charge and discharge gate...