Download HT45R35 Datasheet PDF
HT45R35 page 2
Page 2
HT45R35 page 3
Page 3

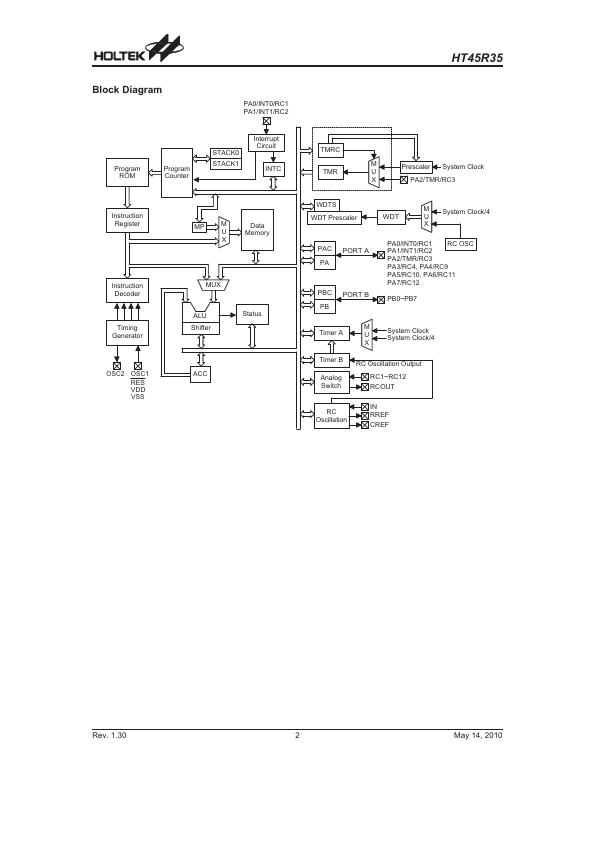
HT45R35 Description

The HT45R35 is an 8-bit high performance, RISC architecture microcontroller device specifically designed for cost-effective multiple I/O control product applications. The advantages of low power consumption, I/O flexibility, timer functions, oscillator options, Power Down and wake-up functions, Watchdog Timer, enhance the versatility of these devices to suit a wide range of application possibilities such as...

HT45R35 Key Features

  • Operating voltage: fSYS=4MHz: 2.2V~5.5V fSYS=8MHz: 3.3V~5.5V
  • 16 bidirectional I/O lines
  • Two external interrupt inputs shared with I/O lines
  • External RC oscillation converter
  • On-chip crystal and RC oscillator
  • Watchdog Timer
  • 12 capacitor/resistor sensor input
  • 2048´14 program memory
  • 120´8 data memory RAM
  • Power Down and Wake-up function reduce power consumption