Download HT48R06A-1 Datasheet PDF
HT48R06A-1 page 2
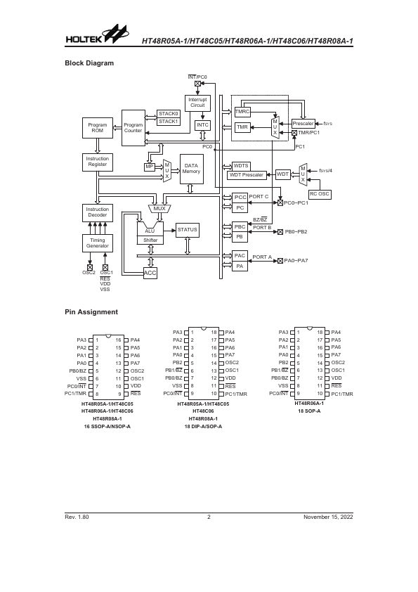
Page 2
HT48R06A-1 page 3
Page 3

HT48R06A-1 Description

The mask version HT48C05 and HT48C06 are fully pin and functionally patible with the OTP version HT48R05A-1 and HT48R06A-1 devices. The advantages of low power consumption, I/O flexibility, timer functions, oscillator options, HALT and wake-up functions, Watchdog Timer, buzzer driver, as well as low cost, enhance the versatility of these devices to suit a wide range of application possibilities such as industrial...

HT48R06A-1 Key Features

  • Operating voltage: fSYS=4MHz: 2.2V~5.5V fSYS=8MHz: 3.3V~5.5V
  • 13 bidirectional I/O lines
  • An interrupt input shared with an I/O line
  • 8-bit programmable timer/event counter with over
  • On-chip crystal and RC oscillator
  • Watchdog Timer
  • Program memory ROM
  • Buzzer driving pair and PFD supported
  • HALT function and wake-up feature reduce power
  • Up to 0.5ms instruction cycle with 8MHz system clock at VDD=5V