Datasheet4U Logo Datasheet4U.com

B1184 - 2SB1184

Key Features

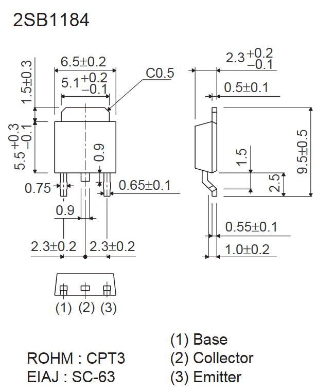
  • Low VCE(sat). PNP silicon transistor. 6.50 +0.2 5.30-0.2 +0.15 -0.15 +0.2 9.70 -0.2 +0.1 0.80-0.1 +0.15 0.50 -0.15 0.127 max 2.3 +0.15 4.60-0.15 +0.1 0.60-0.1 +0.28 1.50 -0.1 +0.25 2.65 -0.1 +0.15 5.55 -0.15 1 Base 2 Collector 3 Emitter Absolute Maximum Ratings Ta = 25 Parameter Collector-base voltage Collector-emitter voltage Emitter-base voltage Collector current Collector power dissipation(Tc=25 ) Junction temperature Storage temperature Symbol VCBO VCEO VEBO IC PC Tj Tstg Rating.

📥 Download Datasheet

Full PDF Text Transcription (Reference)

The following content is an automatically extracted verbatim text from the original manufacturer datasheet and is provided for reference purposes only.

View original datasheet text
SMD Type Power transistor 2SB1184 TO-252 +0.15 1.50 -0.15 Transistors Unit: mm 2.30 +0.8 0.50-0.7 +0.1 -0.1 Features Low VCE(sat). PNP silicon transistor. 6.50 +0.2 5.30-0.2 +0.15 -0.15 +0.2 9.70 -0.2 +0.1 0.80-0.1 +0.15 0.50 -0.15 0.127 max 2.3 +0.15 4.60-0.15 +0.1 0.60-0.1 +0.28 1.50 -0.1 +0.25 2.65 -0.1 +0.15 5.55 -0.