VS1838B Overview
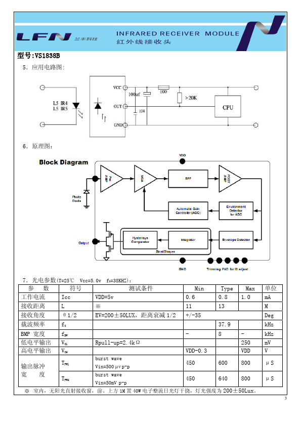
型号:VS1838B 1.简介: VS1838B 内含高速高灵敏度 PIN 光电二极管和低功耗、高增益前 置放大 IC,采用环氧树脂封装外加外屏蔽抗干挠设计,该产品已 经通过 REACH 和 SGS 认证属于环保产品,在红外遥控系统中作为 接收器使用。 2.特性: 环氧树脂封装外加外屏蔽抗干挠设计; 宽工作电压,2.7-5.5V; 低功耗;宽角度及长距离接收; 抗干挠能力强,能抵挡环境干挠; 输出匹配 TTL、CMOS 电平,低电平有效。 3.应用: 视听器材(音箱,电视,DVD,卫星接收机等); 家庭电器(空调,电风扇,灯饰等); 其它红外线遥控产品。 4.尺寸: VS1838B 2 型号:VS1838B 5.应用电路图: 9.特性曲线图(Characteristics Curve)(Tamb=25℃ unless otheruise specified): 4 型号:VS1838B 10.极限参数:.
