Datasheet4U Logo Datasheet4U.com
MABUCHI MOTOR logo

FA-130RA-18100

Manufacturer: MABUCHI MOTOR

FA-130RA-18100 datasheet by MABUCHI MOTOR.

This datasheet includes multiple variants, all published together in a single manufacturer document.

FA-130RA-18100 datasheet preview

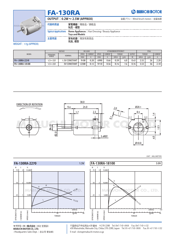
FA-130RA-18100 Datasheet Details

Part number FA-130RA-18100
Datasheet FA-130RA-18100 FA-130RA-2270 Datasheet (PDF)
File Size 204.53 KB
Manufacturer MABUCHI MOTOR
Description Metal-brush motors

FA-130RA-18100 Overview

(Headquarters Sales Dept. 047-710-1132 430 Matsuhidai, Matsudo City, Chiba 270-2280, Japan Tel. slsinq@mabuchi-motor.co.jp.

MABUCHI MOTOR logo - Manufacturer

More Datasheets from MABUCHI MOTOR

View all MABUCHI MOTOR datasheets

Part Number Description
FA-130RA-2270 Metal-brush motors

FA-130RA-18100 Distributor

Datasheet4U Logo
Since 2006. D4U Semicon. About Datasheet4U Contact Us Privacy Policy Purchase of parts