BST40 Overview
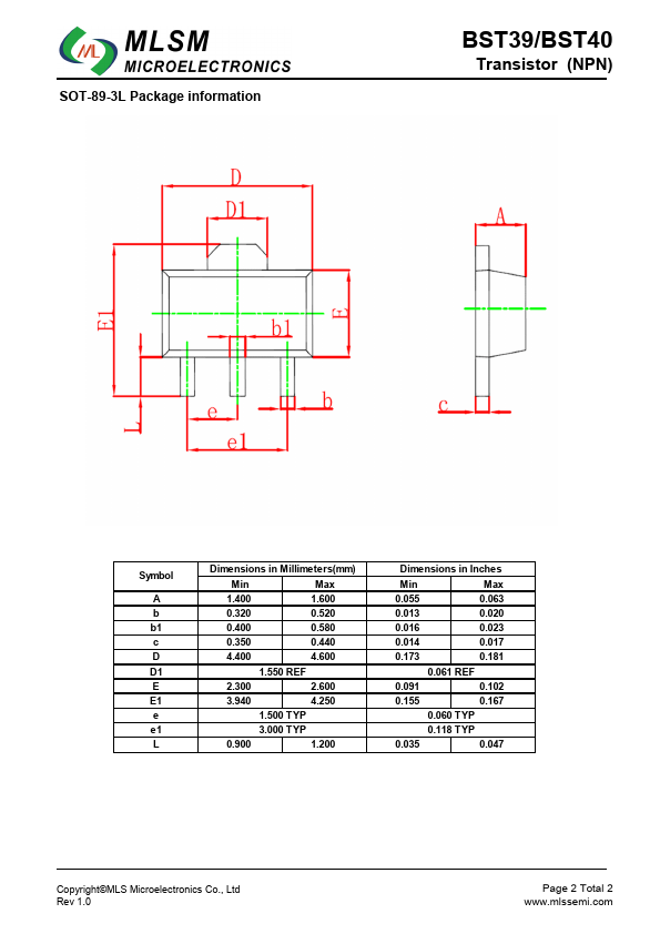
Features Low Current High Voltage Applications General Purpose Switching and Amplification BST39/BST40 Transistor (NPN) BST39 BST40 SOT-89-3L top view Schematic diagram AT1 AT2 B CE B CE Marking and pin assignment Maximum Ratings (Ta=25℃ unless otherwise.
BST40 Key Features
- Low Current
- High Voltage


