KTC4372 Overview
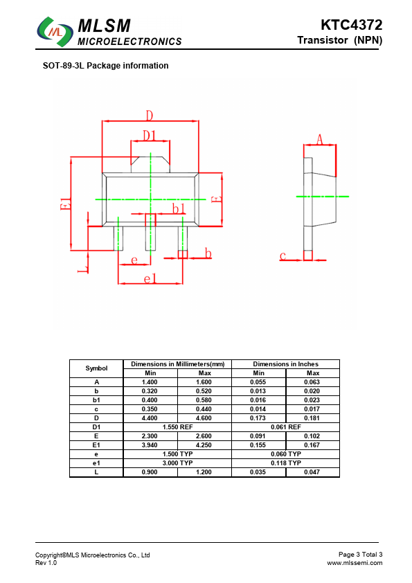
Features Small Flat Package High Voltage Switching Application High Voltage High Transition Frequency KTC4372 Transistor (NPN) X:Rank AX X:Rank BC E Marking and pin assignment SOT-89-3L top view Schematic diagram Maximum Ratings (Ta=25℃ unless otherwise.
KTC4372 Key Features
- Small Flat Package
- High Voltage Switching Application
- High Voltage
- High Transition Frequency
- 100 nA
- 120 -- MHz


