• Part: JEMR33
  • Description: Magnetic Sensor
  • Manufacturer: Murata
  • Size: 892.79 KB
Download JEMR33 Datasheet PDF
Murata
JEMR33
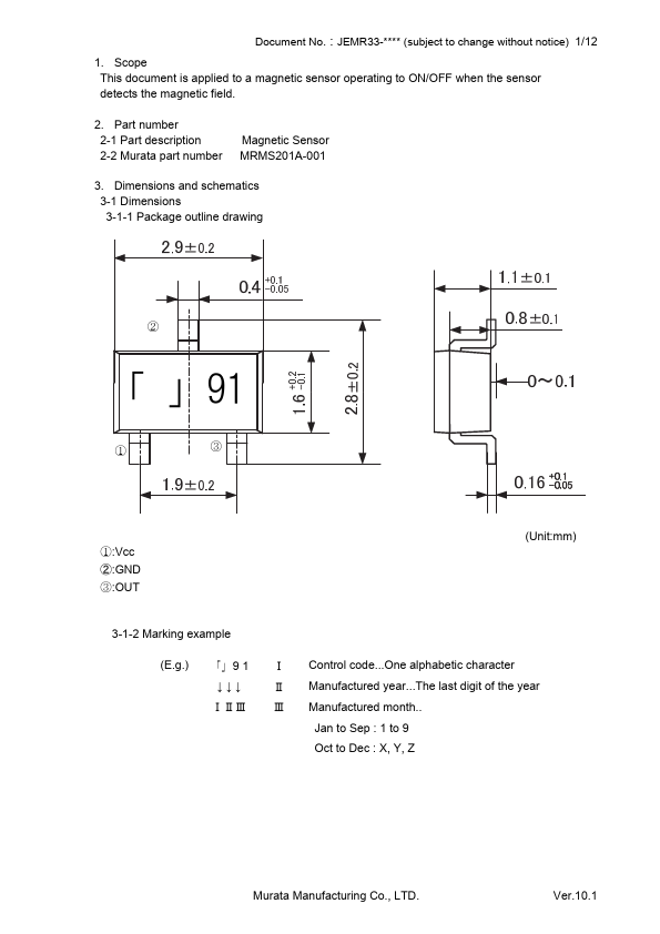
description 2-2 Murata part number Magnetic Sensor MRMS201A-001 3. Dimensions and schematics 3-1 Dimensions 3-1-1 Package outline drawing ② 「 」91 ① ③ ①:Vcc ②:GND ③:OUT (Unit:mm) 3-1-2 Marking example (E.g.) 「」9 1 Ⅰ Control code...One alphabetic character ↓↓↓ Ⅱ Manufactured year...The last digit of the year ⅠⅡⅢ Ⅲ Manufactured month.. Jan to Sep : 1 to 9 Oct to Dec : X, Y, Z Murata Manufacturing Co., LTD. Ver.10.1 Document No.︓JEMR33-- - - - (subject to change without notice) 2/12 3-1-3 Reference mount pad (Unit:mm) NOTE1) Please evaluate your soldiring paset condition and reflow condition with our product being mounted to your product. NOTE2) Please make sure the sensing direction of the sensor (see the item 3-2) and your magnetic field direction to the sensor. 3-2 Block wiring diagram Sensing direction (N or S) 3-3 Magnetic electric conversion characteristic ON/OFF switched depending on the intensity of the magnetic field. (Negative logic) VOUT N...