LM351 Overview
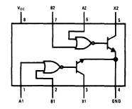
These devices are general purpose dual peripheral drivers, each capable of sinking two Independent 300 mA loads to ground. In the off state (or with Vee = OV) the outputs will withstand 30V. Inputs are fully DTL/TTL patible.
LM351 Key Features
- High speed
- Both outputs can sink 300 mA simultaneously

