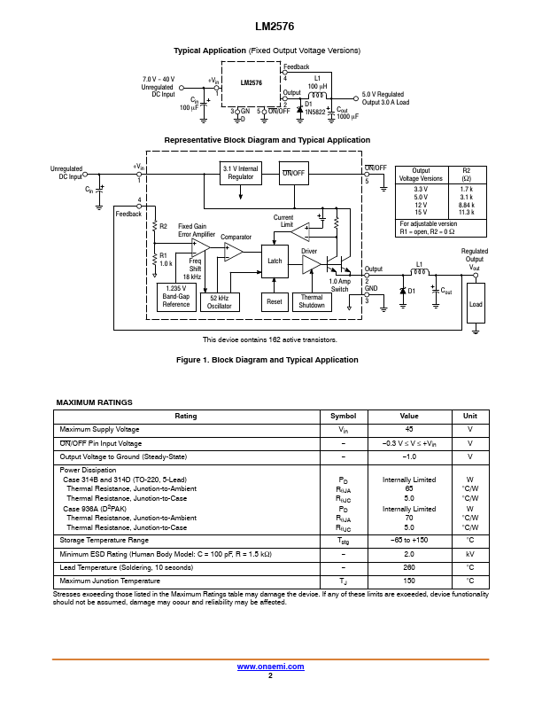
LM2576 Overview
3.0 A, 15 V, Step-Down Switching Regulator LM2576 The LM2576 series of regulators are monolithic integrated circuits ideally suited for easy and convenient design of a step−down switching regulator (buck converter). All circuits of this series are capable of driving a 3.0 A load with excellent line and load regulation. These devices are available in fixed output voltages of 3.3 V, 5.0 V, 12 V, 15 V, and an...
LM2576 Key Features
- 3.3 V, 5.0 V, 12 V, 15 V, and Adjustable Output Versions
- Adjustable Version Output Voltage Range, 1.23 to 37 V ±4%
- Guaranteed 3.0 A Output Current
- Wide Input Voltage Range
- Requires Only 4 External ponents
- 52 kHz Fixed Frequency Internal Oscillator
- TTL Shutdown Capability, Low Power Standby Mode
- High Efficiency
- Uses Readily Available Standard Inductors
- Thermal Shutdown and Current Limit Protection


