Datasheet4U Logo Datasheet4U.com

NCV78964 Datasheet High Efficiency Single-chip 2 Phase Booster And Synchronous Dual Buck Led Driver

Manufacturer: onsemi

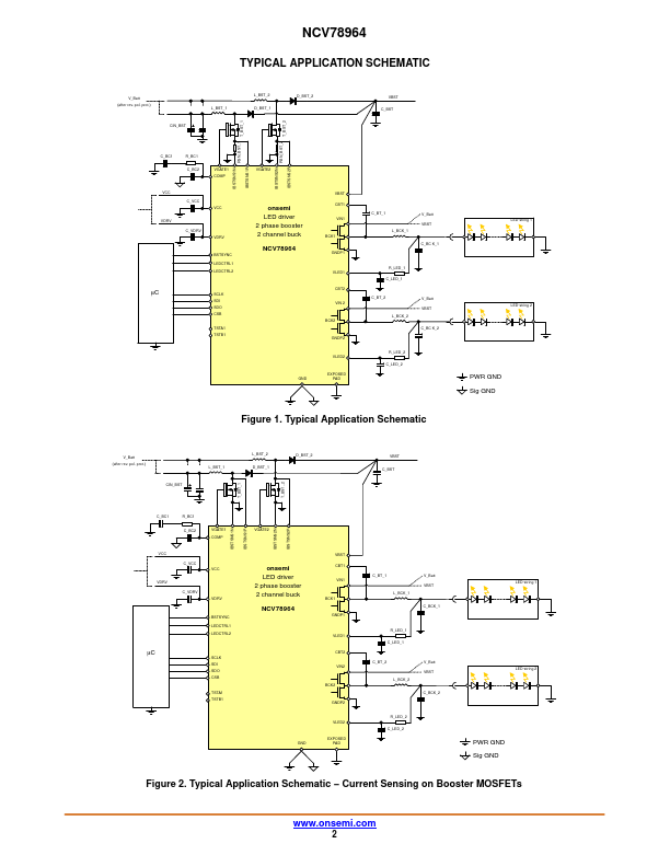
Overview: DATA SHEET www.onsemi.com High Efficiency Single-chip 2 Phase Booster and Synchronous Dual Buck LED Driver for Automotive Front Lighting NCV78964 The NCV78964 is a single-chip and high efficient 2 phase Booster and Synchronous Dual-Channel Buck LED Driver designed for automotive front lighting applications like high beam, low beam, DRL (daytime running light), turn indicator, fog light, static cornering, etc. The NCV78964 is in particular designed for high current LEDs and provides a complete solution to drive two LED strings of up-to 60 V with minimum of external components. The device integrates a current-mode voltage booster controller, realizing a unique input current filter with a limited BOM. When more than two LED channels are required on one module, then two, three or more NCV78964 devices can be combined, with the possibility for the booster circuits to operate in multiphase-mode. This helps to further optimize the filtering effect of the booster circuit and allows a cost effective dimensioning for mid to high power LED systems. Thanks to the SPI programmability, one single hardware configuration can support various application platforms.

Datasheet Details

Part number NCV78964
Manufacturer onsemi
File Size 1.53 MB
Description High Efficiency Single-chip 2 Phase Booster and Synchronous Dual Buck LED Driver
Datasheet NCV78964-ONSemiconductor.pdf

Key Features

  • Single Chip 2 Phase Booster and Synchronous Dual Buck Solution.
  • Stand-Alone/Limp Home Mode.
  • 2 LED Strings up-to 60 V, High Current Capability 1.6 A per Output.
  • Switched Mode Synchronous Bucks with Average Current Regulation through the LEDs, Programmable Buck Frequency.
  • Independent Supply Voltage for Each Buck Channel.
  • Buck Constant Voltage Mode Available.
  • Booster Shunt-less Operation.
  • Built-in Programmable Booster Soft-Sta.

NCV78964 Distributor