Datasheet4U Logo Datasheet4U.com

BD70GA5MEFJ-ME2 - LDO Regulator

General Description

BDxxGA5MEFJ-M BDxxGA5VEFJ-M is a LDO regulator with output current 0.5A.

The output accuracy is ±1% of output voltage.

With external resistance, it is available to set the output voltage at random (from 1.5V to 13.0V).It has package type: HTSOP-J8.

Key Features

  • br>.
  • High accuracy reference voltage circuit.
  • Built-in Over Current Protection circuit (OCP).
  • Built-in Thermal Shut Down circuit (TSD).
  • With shut down switch.
  • AEC-Q100 Qualified.
  • Key Specifications.
  • Input power supply voltage range: 4.5V to 14.0V.
  • Output voltage range(Variable type): 1.5V to 13.0V.
  • Output voltage(Fixed type): 1.5V/1.8V/2.5V/3.0V/3.3V 5.0V/6.0V/7.0V/8.0V/9.0V/10V/12V.
  • Output current: 0.5A (Max. ).
  • Shutdown current: 0μA(Typ.

📥 Download Datasheet

Full PDF Text Transcription (Reference)

The following content is an automatically extracted verbatim text from the original manufacturer datasheet and is provided for reference purposes only.

View original datasheet text
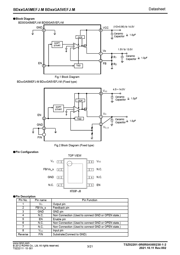
Datasheet Automotive 0.5A Variable Output LDO Regulator BDxxGA5MEFJ-M BDxxGA5VEFJ-M ●General Description BDxxGA5MEFJ-M BDxxGA5VEFJ-M is a LDO regulator with output current 0.5A. The output accuracy is ±1% of output voltage. With external resistance, it is available to set the output voltage at random (from 1.5V to 13.0V).It has package type: HTSOP-J8. Over current protection (for protecting the IC destruction by output short circuit), circuit current ON/OFF switch (for setting the circuit 0μA at shutdown mode), and thermal shutdown circuit (for protecting IC from heat destruction by over load condition) are all built in. It is usable for ceramic capacitor and enables to improve smaller set and long-life.