Datasheet4U Logo Datasheet4U.com

BDJ0GA3VEFJ-ME2 - LDO Regulator

Download the BDJ0GA3VEFJ-ME2 datasheet PDF. This datasheet also covers the BDJ0GA3MEFJ-ME2 variant, as both devices belong to the same ldo regulator family and are provided as variant models within a single manufacturer datasheet.

General Description

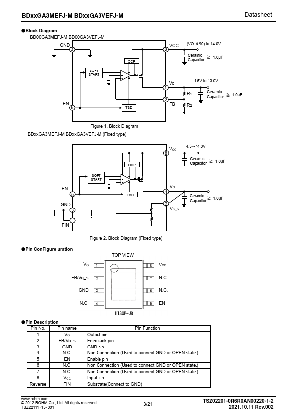
BDxxGA3MEFJ-M BDxxGA3VEFJ-M is a LDO regulator with output current 0.3A.

The output accuracy is ±1% of output voltage.

With external resistance, it is available to set the output voltage at random (from 1.5V to 13.0V).It has package type: HTSOP-J8.

Key Features

  • br>.
  • High accuracy reference voltage circuit.
  • Built-in Over Current Protection circuit (OCP).
  • Built-in Thermal Shut Down circuit (TSD).
  • With shut down switch.
  • AEC-Q100 Qualified.
  • Key Specifications.
  • Input power supply voltage range: 4.5V to 14.0V.
  • Output voltage range(Variable type): 1.5V to 13.0V.
  • Output voltage(Fixed type): 1.5V/1.8V/2.5V/3.0V/3.3V 5.0V/6.0V/7.0V/8.0V/9.0V/10V/12V.
  • Output current: 0.3A (Max. ).
  • Shutdown current: 0μA(Typ.

📥 Download Datasheet

Note: The manufacturer provides a single datasheet file (BDJ0GA3MEFJ-ME2-ROHM.pdf) that lists specifications for multiple related part numbers.

Full PDF Text Transcription (Reference)

The following content is an automatically extracted verbatim text from the original manufacturer datasheet and is provided for reference purposes only.

View original datasheet text
Datasheet Automotive 300mA Variable Output LDO Regulator BDxxGA3MEFJ-M BDxxGA3VEFJ-M ●General Description BDxxGA3MEFJ-M BDxxGA3VEFJ-M is a LDO regulator with output current 0.3A. The output accuracy is ±1% of output voltage. With external resistance, it is available to set the output voltage at random (from 1.5V to 13.0V).It has package type: HTSOP-J8. Over current protection (for protecting the IC destruction by output short circuit), circuit current ON/OFF switch (for setting the circuit 0μA at shutdown mode), and thermal shutdown circuit (for protecting IC from heat destruction by over load condition) are all built in. It is usable for ceramic capacitor and enables to improve smaller set and long-life.