• Part: RT9118
  • Description: 10W Stereo Class-D Speaker Driver
  • Manufacturer: Richiek
  • Size: 753.92 KB
Download RT9118 Datasheet PDF
Richiek
RT9118
RT9118 is 10W Stereo Class-D Speaker Driver manufactured by Richiek.
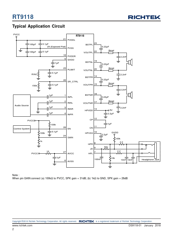
® 10W Stereo Class-D Speaker Driver with Headphone Amplifier General Description The RT9118 is a 10W per channel, high efficiency Class D stereo audio amplifier for driving bridge tied load (BTL) speakers. The RT9118 can drive stereo speakers with load as low as 4Ω. Its high efficiency eliminates the need for an extra heat sink when playing music. The gain of the amplifier can be controlled by gain select pins. The outputs are fully protected against shorts to GND, PVCC, and output to output with an auto recovery feature and monitored output. The RT9118 is available in the WQFN-28L 4x5 package. Features l 8V to 17V Input Supply Range } 10W / CH for an 8Ω Load, 13V Supply at 10%...