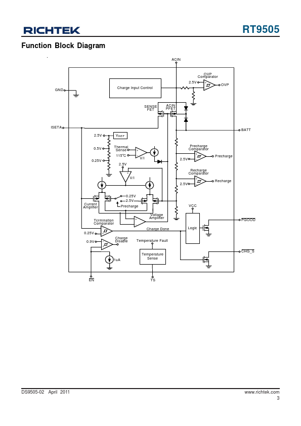
RT9505 Description
The RT9505 is a fully integrated low cost single-cell LiIon battery charger IC ideal for portable applications. The RT9505 is capable of being powered up from AC adapter. The RT9505 enters sleep mode when AC adapter is removed.
RT9505 is Linear Single Cell Li-Ion Battery Charger IC manufactured by Richtek .
The RT9505 is a fully integrated low cost single-cell LiIon battery charger IC ideal for portable applications. The RT9505 is capable of being powered up from AC adapter. The RT9505 enters sleep mode when AC adapter is removed.