Datasheet4U Logo Datasheet4U.com

BA050LBSG - Super-mini package regulator

General Description

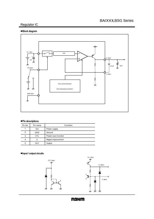
Pin No.

Key Features

  • 1) Internal output transistor (IO=150mA) 2) Internal temperature protection circuit 3) Power-saving function enables designs with low current consumption 4) High level of ripple rejection (R. R. =66dB) 5) SMP5 super-mini package enables space-saving designs 6) Low I / O voltage differential (90mV Typ. at IO=50mA) !Super-mini regulator lineup Series 2.8 BA ∗" Output voltage (V) 2.9 3.0 3.2 3.3 3.6 3.8 4.0 5.0 LBSG " indicates the output voltage value. (Example : For 2.8V output, BA028LBSG) !Abs.

📥 Download Datasheet

Datasheet Details

Part number BA050LBSG
Manufacturer ROHM
File Size 143.36 KB
Description Super-mini package regulator
Datasheet download datasheet BA050LBSG Datasheet

Full PDF Text Transcription (Reference)

The following content is an automatically extracted verbatim text from the original manufacturer datasheet and is provided for reference purposes only.

View original datasheet text
www.DataSheet4U.com Regulator IC BAΟΟΟLBSG series Super-mini package regulator IC BAΟΟΟLBSG series The BAΟΟΟLBSG (the “ΟΟΟ” indicates the output voltage value) is a low-saturation series regulator IC employing the super-mini mold package of the SMP5 (2916 package). Equipped with a power-saving function that reduces current consumption, it also offers outstanding ripple rejection and characteristics, and is ideal for cellular telephones and other. !Applications Residential / industrial device power supplies for cellular telephone such as the CDMA and GSM, and for other portable. !Features 1) Internal output transistor (IO=150mA) 2) Internal temperature protection circuit 3) Power-saving function enables designs with low current consumption 4) High level of ripple rejection (R.R.