Datasheet4U Logo Datasheet4U.com

BA7745FS - VCR Hi-Fi audio signal REC / PB amplifier with flying-erase oscillator

Key Features

  • The low-noise playback amplifier has a total gain of 83dB (Typ. ). Designed for VHS-bandoperation with low external parts count. It has two built-in circuits for Hi-Fi VCR operation. 2) The circuit has been designed to suppress headswitching noise. 3) Built-in EP / SP gain switching function that boosts the playback gain by 5dB. 4) Built-in VCA for easy playback output adjustment. 5) High-output recording amplifier for audio FM recording. 6) Constant-current drive provides stable recording chara.

📥 Download Datasheet

Datasheet Details

Part number BA7745FS
Manufacturer ROHM
File Size 96.11 KB
Description VCR Hi-Fi audio signal REC / PB amplifier with flying-erase oscillator
Datasheet download datasheet BA7745FS Datasheet

Full PDF Text Transcription (Reference)

The following content is an automatically extracted verbatim text from the original manufacturer datasheet and is provided for reference purposes only.

View original datasheet text
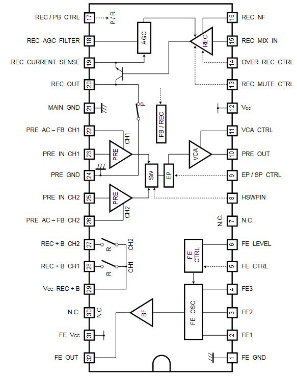
Video ICs VCR Hi-Fi audio signal REC / PB amplifier with flying-erase oscillator BA7745FS The BA7745FS has the recording and playback amplifiers required for Hi-Fi VCR signal processing, and also contains a flying-erase oscillator. The recording system uses a constant-current amplifeir with AGC to eliminate the need to adjust the recording current, and ensure stable operation as the head wears. The IC also features REC MUTE and OVER REC functions . The playback system has a high-gain preamplifier, a low-offset head switch, a VCA and an EP-gain amplifier. The flying-erase oscillator has low 2nd and 3rd harmonic distortion, and when connected to an external driver large output current can be obtained.