Datasheet4U Logo Datasheet4U.com

BU8872FS - DTMF receiver for telephones

Description

FCircuit operation A DTMF signal is supplied to the INPUT pin and applied to a pair of 6th-order bandpass filters, which separate the DTMF signal into its high (COL) and low (ROW) frequencies.

Features

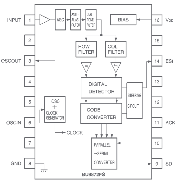
  • 1) Dynamic range of 45dB. (internal AGC) 2) 4-bit binary serial data output. 3) Guard time can be controlled through host microcomputer. 4) Input pins equipped with hysteresis. (ACK pin) FBlock diagram 5) 4.19MHz ceramic resonator or crystal resonator can be used. 6) 8-pin DIP package. (BU8872) 16-pin SSOP package. (BU8872FS) 192 Communication ICs FAbsolute maximum ratings (Ta=25_C) BU8872 / BU8872FS FRecommended operating conditions (Ta=25_C) 193 Communication ICs FElectrical characteris.

📥 Download Datasheet

Datasheet preview – BU8872FS

Datasheet Details

Part number BU8872FS
Manufacturer ROHM
File Size 169.76 KB
Description DTMF receiver for telephones
Datasheet download datasheet BU8872FS Datasheet
Additional preview pages of the BU8872FS datasheet.
Other Datasheets by Rohm

Full PDF Text Transcription

Click to expand full text
Communication ICs DTMF receiver for telephones BU8872 / BU8872FS The BU8872 and BU8872FS are DTMF receiver ICs developed for use in telephone answering machines, and convert 16 different types of DTMF signals into 4-bit binary serial data. In addition to a compact 8-pin DIP (BU8872) or 16-pin SSOP (BU8872FS) package, these receivers feature a wide dynamic range, eliminating the need for an external input amplifier. Expertise from a number of companies has been incorporated into these products to enable guard time control through a host microcomputer. FApplications Telephone answering machines FFeatures 1) Dynamic range of 45dB. (internal AGC) 2) 4-bit binary serial data output. 3) Guard time can be controlled through host microcomputer. 4) Input pins equipped with hysteresis.
Published: |