LM339DT Overview
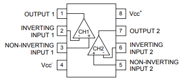
LM393xxx, LM2903xx, LM339xx, and LM2901xx monolithic ICs integrate two or four independent parator circuits on a single chip.
LM339DT Key Features
- Operable with a Single Power Supply
- Wide Operating Supply Voltage Range
- Input / Output Ground Sense
- Low Supply Current
- Open Collector
- Wide Temperature Range
- Consumer Electronics
- Current Sense Application
- Battery Monitor
- Multivibrator



