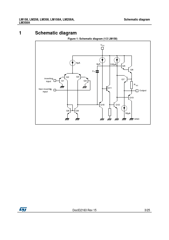
LM358D Overview
These circuits consist of two independent, highgain, internally frequency-pensated op amps, specifically designed to operate from a single power supply over a wide range of voltages. The low-power supply drain is independent of the magnitude of the power supply voltage. Application areas include transducer amplifiers, DC gain blocks and all the conventional op amp circuits, which can now be more easily implemented...
LM358D Key Features
- Frequency pensation implemented internally
- Large DC voltage gain: 100 dB
- Wide bandwidth (unity gain): 1.1 MHz
- Very low supply current per channel
- Low input bias current: 20 nA (temperature
- Low input offset voltage: 2 mV
- Low input offset current: 2 nA
- Input mon-mode voltage range includes
- Differential input voltage range equal to the
- Large output voltage swing



